
纳芯微宣布(NOVOSENSE)推出NSD830x-Q1系列多通道半桥车规级驱动芯片,该系列产品包含NSD8308(8通道)和NSD8306(6通道)两款产品,内部均集成多通道半桥驱动和N-MOS功率级,支持多种负载类型。

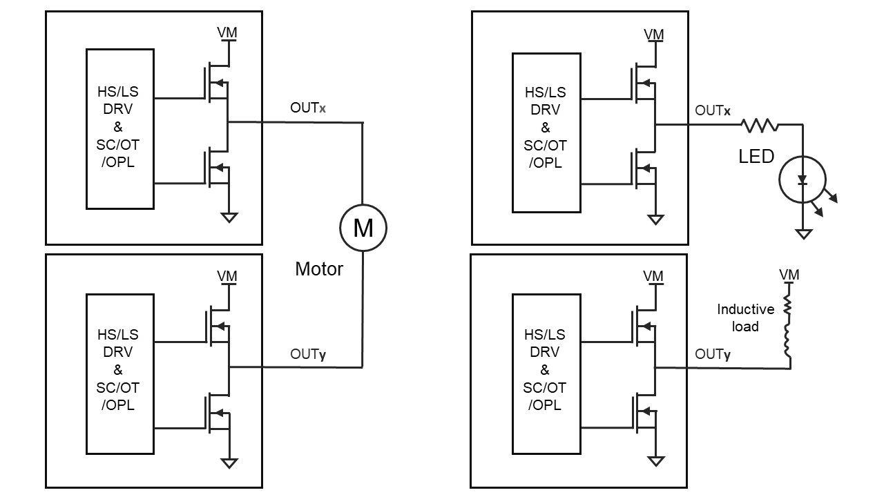
图1:电机/LED/感性负载
如上图1所示,通过SPI配置,该款产品能够实现全桥与半桥驱动模式,支持直流有刷电机,双极性步进电机,继电器和LED等。在汽车系统中,该方案可被广泛应用于空调风门控制,电动后视镜与区域控制器。

图2:汽车热管理系统
NSD830x-Q1产品性能一览
- 工作电压范围较宽:4.5V-36V(耐压40V)
- 导通电阻(HS + LS):1.5 Ω
- 峰值电流1.3A/1.7A
- 支持时钟斩频功能以满足汽车EMI要求
- PWM生成器支持寄存器配置预设频率与占空比
- 负载诊断
- 欠压保护与过压保护
- 工作温度:-40°C~125°C
- AEC-Q100认证
- 封装形式:HTSSOP-24

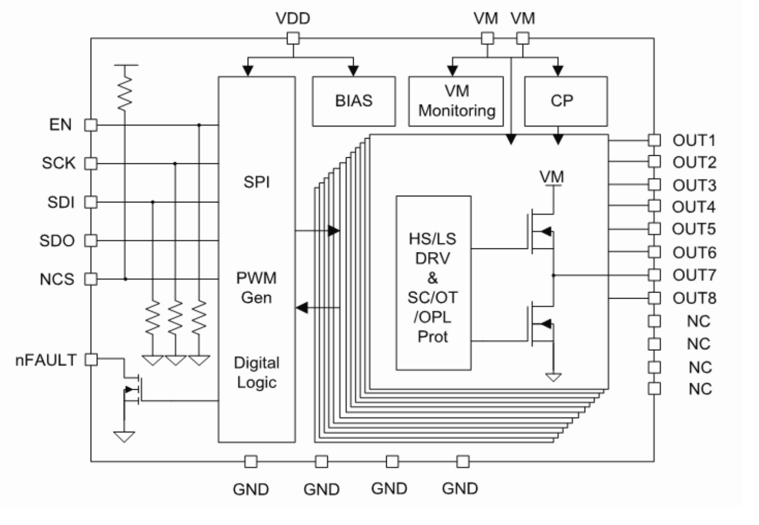
图3:NSD8306功能框图
NSD830x-Q1不但能够提供SPI接口与多通道驱动模式,为了使其能更灵活地支持多种负载,还额外配备了多种特色功能:
一、PWM生成器
NSD8308/NSD8306-Q1配备有PWM生成器,可以通过配置寄存器来调节PWM频率与占空比,对直流有刷电机进行调速,对LED进行调光,以此来降低主控芯片的工作负载,节约I/O资源。
PWM生成器能够支持80-2,000Hz的频率范围,8 Bit分辨率的占空比,即意味着该系列产品能够支持0-100%范围的占空比,0-255范围内的细分度变化。
在直流有刷电机的应用中,即使主控芯片不深度介入PWM生成器,电机负载也能够在PWM生成器的协助下实现软启动和调速功能,在LED负载的应用中实现简易PWM调光功能。如图4所示,当寄存器设置输出为100Hz,占空比为25%/50%/75%时,其对应通道能够精确匹配寄存器配置的频率与占空比。

二、输出限流功能
电机与其他负载系统在设计时会在输出端并联小电容,可以减少电磁干扰,或是增强抗干扰能力,输出限流功能与传统过流保护功能相比,能确保输出级提供更长时间的峰值电流以支持容性负载。
NSD8308/NSD8306-Q1可同时对半桥上桥臂与下桥臂提供限流保护功能,当出现短路或过流现象,且负载电流超过芯片定义阈值时,输出即进入限流模式。与传统过流保护功能相比,限流功能对“误报”的容错率更高,避免容性负载或寄生参数导致的瞬态电流触发保护功能,影响设备正常运行。

图5:输出短路限流功能示意
三、负载诊断功能
智能汽车对整车系统负载工作状态的监控和诊断要求日益提高,NSD8308/NSD8306-Q1可提供智能负载诊断功能,用以车机系统判断负载连接状态,如果出现短路或者断路情况,外部控制器可以通过芯片内部的寄存器获取每个独立通道的状态信息。
该系列产品诊断功能可全面覆盖各种负载的工作状态,支持多种负载连接方式,包括:半桥,全桥,高边与低边。离线模式下(驱动输出为关闭状态),可帮助系统实现开路诊断,对电池短路诊断,对地短路诊断;在线模式下(驱动输出为工作状态),可实现开路诊断,限流保护功能。对应输出通道的状态与警报可以通过SPI获取对应寄存器上的信息,进而上报至主控制器。
免费送样
NSD830x系列产品均可提供样品,如需申请样片或订购可邮件至sales@novosns.com或拨打0512-62601802-810,更多信息敬请访问www.novosns.com
关于纳芯微
纳芯微电子(简称纳芯微,科创板股票代码688052)是高性能高可靠性模拟及混合信号芯片设计公司。自2013年成立以来,公司聚焦信号感知、系统互联、功率驱动三大方向,提供传感器、信号链、隔离、接口、功率驱动、电源管理等丰富的半导体产品及解决方案,并被广泛应用于汽车、工业、信息通讯及消费电子领域。
纳芯微以『“感知”“驱动” 未来,共建绿色、智能、互联互通的“芯”世界』为使命,致力于为数字世界和现实世界的连接提供芯片级解决方案。
如需了解更多纳芯微产品信息以及最新资讯,欢迎登陆官网:www.novosns.com。
媒体垂询请联系:pr@novosns.com