电焊机在现代工业建设中扮演重要角色,广泛应用于船舶制造、石化装备、管道建设、压力容器、桥梁建设、电力电站、车辆、机械制造、钢结构、建筑装饰、五金、家电等多个领域。
从焊机电路架构来看,焊机可以分为:控制电路为模拟电路的传统焊机、同时具有模拟电路和数字电路的半数字化焊机,以及控制电路全为数字电路的全数字化焊机。
方案架构

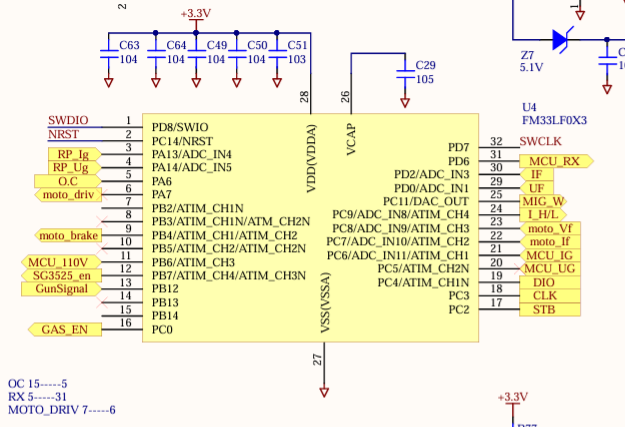
半数字焊机产品应用基于FM33LF0xx系列MCU,使用该系列的FM33LF013与电流型PWM控制芯片构成主体架构。
MCU输出的控制信号经过电压环、电流环的电路调控后,输入给PWM控制芯片,再由IGBT全桥进行电源控制后进行输出;电流环和电压环控制可分别调控不同的焊接模式,电流环控制调整手工焊和氩弧焊模式,电压环控制调整气保焊模式。此焊机应用具备自动送丝功能,由FM33LF013输出PWM方波给到驱动芯片使电机进行送丝,能够有效提高焊接作业效率。
应用特色

此半数字焊机应用可同时支持MIG(Melt Inert Gas Welding, 熔化极惰性气体保护焊)、TIG(Tungsten Inert Gas Welding, 钨极惰性气体保护焊)、MMA(Manually Metal Arc Welding,手工电弧焊)三种焊接工艺;
对于MMA,能够支持较为准确的电流调节及显示功能;对于MIG与MAG工艺,支持电压、电流的调节与显示,也可支持快速送丝、送丝机刹车、2T/4T/点焊功能切换、保护焊机等功能。
通过MCU对焊接过程中的电流、电压参数进行采样监控并反馈调控,例如变压器原边电流、气保焊恒压输出检测、送丝机电流采样等。复旦微FM33LF0xx系列MCU支持12 bit高精度ADC,最大支持12个外部输入通道,可以有效实现对焊接参数的精准采样和处理。FM33LF0xx系列还同时支持LED和LCD,极大扩展客户的显示需求。除此之外,还支持TAU(多定时器阵列单元),此模块支持多达8个独立定时器,可应用于信号生成,事件计数等多场景。
应用方案原理图

主控以及对应引脚功能

电流型PWM控制器
FM33LF0xx的芯片资源介绍
FM33LF0xx系列是复旦微推出的基于ARM Cortex-M0+内核的32位低功耗MCU芯片,最高主频72MHz,最大支持64KB FLASH和8KB RAM,集成LCD驱动、LED驱动、带温补的RTC、ADC、DAC、OPA、COMP、AES、UART、LPUART、I2C-SMBus、SPI、CAN、SENT等通用外设接口,支持LQFP64/48/32、QFN32多种封装。
FM33LF0系列资源如下图所示:

FM33LF0xx系列芯片片上资源丰富,具有低功耗和高可靠性的强劲优势,其定制化的资源非常适用于特定的应用需求,目前已经在电梯内/外呼板、工业电源、工业电机、传感器、仪器仪表、焊机等行业大批量应用,欢迎大家选用!
来源:复微MCU爱好者天地
免责声明:本文为转载文章,转载此文目的在于传递更多信息,版权归原作者所有。本文所用视频、图片、文字如涉及作品版权问题,请联系小编进行处理(联系邮箱:cathy@eetrend.com)。