随着对能源效率、可再生能源整合和技术进步的需求不断增加,电力领域正在经历一场重大变革。一个多世纪以来,交流电源一直是主要的配电形式;它在长距离输电过程中能保持较高的效率,并且能够轻松地调节到不同的电压等级。然而,随着分布式能源的兴起、对能量流动控制的需求以及为降低系统损耗而进行的电机功率回收技术的发展,直流微电网已成为一种极具吸引力的替代方案。
本文将介绍直流微电网,阐述其在工业应用中的实施方式,并展示几款可帮助实现高效实施的德州仪器 (TI) 参考设计。
1.简介
直流微电网是在特定电压范围内,通过直流母线运行的局部能源系统。这类系统在规模和功率上差异显著,小至由共享直流母线连接数台电机的小型独立单元,大到总负载可达兆瓦级的大型应用场景,如大型工厂或数据中心。小型独立系统可对现有工厂基础设施进行功能拓展,而大型直流微电网装置凭借共享基础设施实现规模经济,从而获得显著效益。这些大型直流电网能够更高效地整合太阳能、风能等可再生能源,并优化能源管理,尤其适用于动态负载众多且储能需求持续增长的行业场景。
除了交流/直流电网连接设备、可再生能源发电装置、电池储能系统及各类用电负载外,直流微电网还配备断路器、预充电单元、监测系统,以及为附属系统供电的辅助电源等组件。图 1-1 展示了一个直流微电网及其可能涵盖的系统模块构成。

图 1-1. 直流微电网中的元件和负载
本技术白皮书概述了直流电网相较于交流电网的优势,介绍了直流微电网并探讨了其在工厂自动化、数据中心和楼宇自动化中的应用。我们还探讨了创新型半导体如何通过增强隔离测量系统、电源和光伏逆变器,推动向直流微电网的转型。
2.直流与交流电网:比较概述
过去,交流和直流电网之间的争论围绕输电效率、安全和基础设施而展开。在 19 世纪末的电流大战中,交流输电因其卓越的长距离输电能力而胜出。但随着现代技术发展和能源需求的转变,直流输电正重新兴起,尤其是在局部微电网应用中。
2.1直流电网的优势
与传统交流连接相比,直流微电网具有以下优势:
通过优化的功率转换实现更高的效率。直流微电网将交流至直流整流集中化,从而减少功率转换级的数量并实现共享直流母线。集中化可降低转换损耗并提高整体系统效率。电机能量回收系统可将制动能量直接反馈至直流链路,优化了负载分配和能量分配。此外,直流系统还消除了趋肤效应和涡流损耗等问题。在工业应用中,这些改进可帮助节约多达 20% 的能源。
可再生能源的无缝整合。光伏电池板和风力涡轮机等可再生能源在为交流电网转换电力之前通常会产生直流电压。直流微电网可整合这些能源,无需额外的直流转交流(逆变器)级。同样,减少的功率转换次数提高了系统效率,使直流系统适用于注重可持续性的应用场景。
负载管理的可扩展性和灵活性。直流微电网具有高度可扩展性,因此工程师可以对其进行定制,以满足各种场景的特定电源需求,例如,从小型建筑到大型工业设施,或交流供电工厂内独立直流岛等。可直接连接工业机械、自动化设备、服务器机架、照明以及暖通空调 (HVAC) 系统等直流负载,简化了整体系统架构。
改善了电能质量和稳定性。直流电源不易受到谐波失真和无功功率问题的影响,这些问题会影响交流电源的质量。因此,电力输送更稳定,敏感电子设备的性能也有所提高。另外,储能系统的实施可以应对交流电网中断问题并平衡不稳定能源供应的差距。
简化布线并降低基础设施成本。与交流电网相比,直流微电网需要的电线更少。根据系统架构的不同,直流链路使用双线或三线连接,而不是交流电网中的五线布线。更少的导线连接和更少的电源转换器可以节省多达 50% 的铜缆,同时降低安装成本。运行期间,直流电网中的可再生发电和储能系统有助于降低交流电网的峰值用电需求,这可以显著降低接通费用。
2.2直流电网设计挑战
尽管直流微电网具备诸多优势,但在安全性和可靠性方面仍存在特定挑战。电弧管理是其中一项重大挑战。与交流电源不同,直流电源本身不具有过零点,这使得灭弧难度显著增加,进而加大了用户面临的风险。因此,必须配备高级控制和保护系统,用以管理功率流;实时监测电压、电流和温度;以及快速检测和应对故障。另一项挑战在于,直流电网属于极化系统,持续的漏电流可能导致腐蚀问题。
由于直流微电网是一项相对较新的技术,行业标准仍在制定过程中,这限制了大规模生产设备的供应。此外,熟悉直流电网安装与维护的专业技术人员也十分短缺。国际电工委员会的低压直流系统委员会以及德国的开放式直流联盟等机构正在开展标准化工作,旨在为直流系统奠定更广泛的基础。
3.直流微电网在各行业的应用
鉴于直流微电网的优势以及其应对挑战能力的不断提升,直流电在多个领域逐渐得到广泛应用,以下重点介绍其中三个领域:
工厂自动化。工厂自动化系统,如机械设备、机器人和控制系统,通过共享直流电网可显著降低能量损耗并简化配电过程。在配备机器人、升降机和传送带的生产环境中,相较于交流电系统的制动能量以热能形式耗散,直流系统的再生制动功能成为主要优势。汽车行业早期示范安装的成果显示,直流微电网可大幅节省能源,凸显其作为现代工厂运营中经济高效解决方案的潜力。2024 年 11 月,德国电气工程师协会 (VDE) 依据 VDE SPEC 90037 标准发布了《直流工业系统描述》,详细概述了直流电网在工业应用中的情况。
数据中心。数据中心是能源密集型设施之一,严重依赖不间断电源。直流供电的数据中心通过减少交流/直流功率转换和功率因数校正 (PFC) 级的数量,提高了电源效率并减少与谐波相关的问题。此外,此类系统可将配电可靠性提高多达 200%,这使得直流微电网成为更可靠、更具成本效益和可持续发展的解决方案。
楼宇自动化与照明。直流微电网在楼宇自动化中提供了巨大的优势,尤其是对本身依靠直流电源运行的 LED 照明系统。此外,HVAC 系统和电器等楼宇基础设施中的典型负载也会受益于优化的配电方式和电池缓冲能耗。除建筑基础设施本身之外,大多数家庭电子产品,如计算机、电视机和充电器,均为直流负载,这为进一步优化提供了潜力。
4.TI 的直流应用解决方案
如图 1-1 所示,TI 精心设计了一系列产品及参考设计,旨在助力解决直流微电网中存在的一些难题,从而实现更高效的功率转换、更精确的测量以及更可靠的控制。
TIDA-010938 – 具有 BESS 的基于 GaN 的 10kW 单相串式逆变器
TIDA-010054 – 10kW 双向双有源电桥直流/直流参考设计
TIDA-01606 – 11kW 双向三相交流/直流逆变器/PFC 参考设计
PMP41063 – 48W 直流/直流 AUX 电源
TIDA-010232 – 用于绝缘监测的 AFE
4.110千瓦基于氮化镓的单相串式逆变器与电池储能系统
太阳能是直流微电网的重要组成部分,其主要目标是节省能源成本并减少对交流电网的依赖。专用功率转换器可将光伏电池板输出的可变电压转换稳定的直流链路电压。
TI 的 10 千瓦基于氮化镓 (GaN) 的参考设计最初是作为具有电池储能系统 (BESS) 功能的串式逆变器而设计。虽然它具有三个主要级,但对于直流微电网应用而言,仅有两个阶段是必需的。
输入升压级将光伏电池板电压(50V 至 500V,由 2 至 10 个光伏电池组成)转换为设定的直流链路电压。这一输出电压既可直接为直流微电网供电,也能通过下游的 DC/DC 转换器灵活调节至所需的电压等级。
双向 DC/DC 转换器级通过高效地对电池进行充电和放电来管理 BESS。它可确保电池与电网之间的能量交互平稳有序,从而维持电网稳定运行,充分满足储能需求。
该设计的第三级包括可配置的双向直流/交流转换器。在 PFC 配置中,为 BESS 充电,需要从交流电网获取电能并通过直流链路传输电能。在逆变器配置中,它将 BESS 或光伏电池板产生的电能进行转换,然后将能量回送至交流电网(请参阅图 4-1)。

图 4-1. 10 千瓦基于氮化镓的参考设计方框图
4.2适用于 3 级电动汽车充电站的双向双有源电桥参考设计
TI 的双向双有源电桥参考设计是一款 10kW 参考设计,包括一个隔离式双向双有源电桥 DC/DC 转换器。本参考设计的主要目标应用对象是用于储能或直流充电桩的功率转换系统。该设计支持 700V 至 800V 的输入电压范围,这一范围适用于典型的微电网直流母线电压,因此非常适合为分布式负载供电以及集成电池备用系统。
通过使用可驱动 SiC 功率 MOSFET 的高性能控制电路,此参考设计实现了 2.25kW/L 的功率密度。双有源电桥中的对称结构允许转换器堆叠以实现更高的功率吞吐量,并且双向设计可在电池储能和直流母线之间实现灵活的能量传输。图 4-2 是系统元件的方框图。

图 4-2. 双向双有源电桥参考设计方框图
4.311kW 双向三相三级(T 型)逆变器和 PFC 参考设计
将直流微电网连接到交流电网需要一个双向电源。该电源以高功率因数进行交流至直流转换,并且必须能够作为逆变器执行直流至交流转换。因为功率级别、效率和热管理是首要问题。
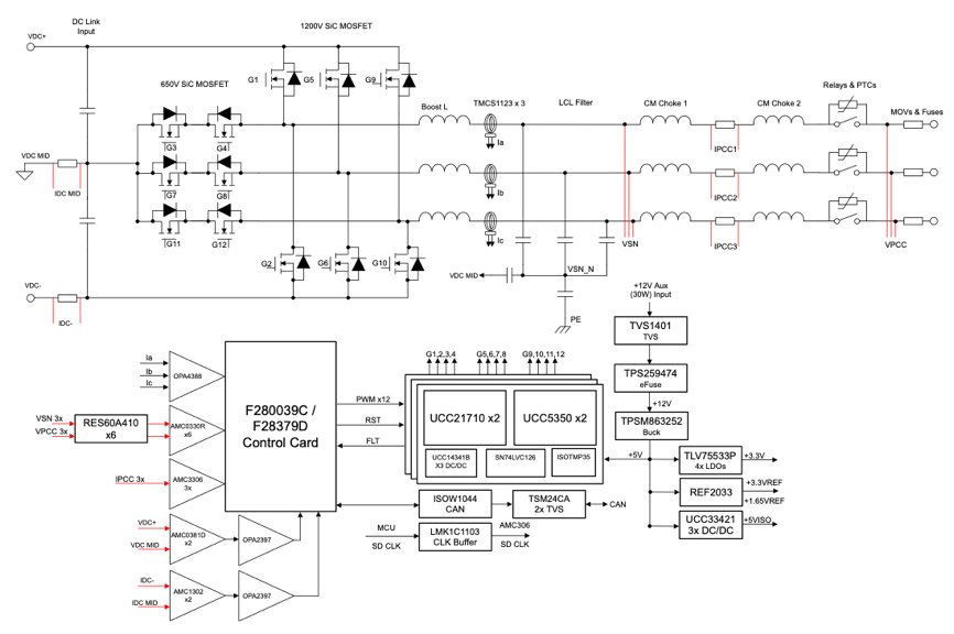
TI 的双向三相参考设计,如图 4-3 和图 4-4 中所示,具有 11kW 双向逆变器和 PFC 级,可以处理直流母线上的 600V 至 900V 电压以及电网中的三相 400VAC 电压。

图 4-3. 双向三相参考设计电路板照片和方框图

图 4-4.双向三相参考设计方框图
整套参考设计由两块独立电路板组成。主板集成各类开关器件、LCL(电感器—电容器—电感器)滤波器、传感电子元件和电源结构。第二个电路板搭载基于 C2000 数字信号处理器控制卡的控制电路。整个设计表现优异,峰值效率达 98.6%,功率密度为 2.2kW/L。
4.4具有低待机功耗的 300V - 1,000V 输入 48V 隔离式辅助电源参考设计
隔离式辅助电源参考设计是一款经过优化、适用于高电压直流应用的 48W 辅助电源。它支持 300VDC 至 1000V 的直流输入电压,可以灵活地用于需要稳定直流电压和有限功率需求的子系统,如控制系统和监测设备。
该设计采用初级侧稳压反激式拓扑,无需使用光耦合器即可使输出保持稳压状态,因此可提供高可靠性。在恶劣的环境条件下,这是一个显著的优势,因为随着时间推移,光耦合器中的发光二极管会出现性能下降,从而导致光耦合器的可靠性降低。

图 4-5. 隔离式辅助电源参考设计电路板
4.5高压电动汽车充电和太阳能中的绝缘监测 AFE 参考设计
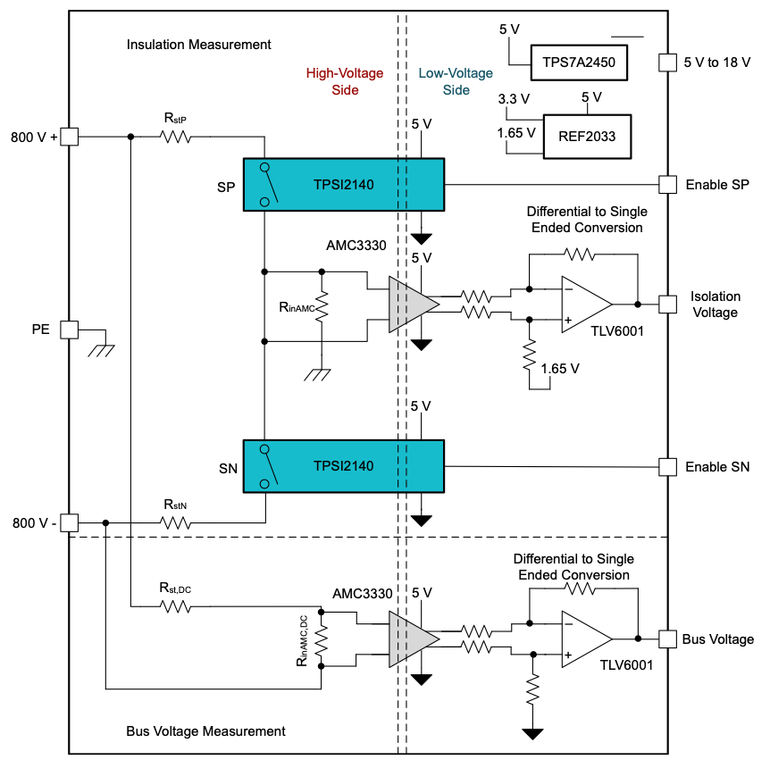
对于每一位直流微电网的系统运营商而言,保障直流微电网的运行安全是一项不容推卸的责任。绝缘监测参考设计采用电桥直流绝缘监测 (DC-IM) 方法,定期测量从直流端到保护性接地端的隔离电阻和绝缘漏电流。如图 4-6 所示,该信号链采用隔离式数据转换器和隔离式电源开关的组合架构,并且兼容 C2000 BoosterPackTM 插件模块,因此能够实现快速的系统评估。

图 4-6. 绝缘监测参考设计的模拟前端方框图
5.结语
人们对更高能效、更可靠的电力输送和可再生能源集成的需求不断增长,这推动着直流微电网领域积极探索更为精简且经济高效的解决方案。从隔离测量到光伏逆变器和电源,TI 的参考设计可帮助各个行业充分利用直流微电网的电源,以实现其可持续发展目标并减少其碳足迹。
关于德州仪器
德州仪器(TI)(纳斯达克股票代码:TXN)是一家全球性的半导体公司,从事设计、制造和销售模拟和嵌入式处理芯片,用于工业、汽车、个人电子产品、企业系统和通信设备等市场。我们致力于通过半导体技术让电子产品更经济实用,让世界更美好。如今,每一代创新都建立在上一代创新的基础上,使我们的技术变得更可靠、更经济、更节能,从而实现半导体在电子产品领域的广泛应用。登陆 TI.com.cn 了解更多详情。