1、交错并联式PFC+变频解决方案介绍
交错式功率因数校正技术,凭借其卓越的纹波抑制能力、优化的热管理、改善的EMI性能和潜在的带宽提升,已成为现代高性能AC/DC电源前端设计的基石。英飞凌这款4 KW压机变频解决方案搭配了英飞凌最新的PSOC™ Control C3控制器和Easy模块(Easy 2B),为客户提供紧凑型交错并联式PFC+变频解决方案。
2、PSOC™ Control C3 产品介绍
PSOC™ Control C3凭借高主频与高性能特性,可轻松控制40kHz交错式PFC的开关频率,降低电感值与体积,优化BOM成本。其内置独特的电机控制外设,助力客户简化电机控制开发(CORDIC加速器、DSP/FPU、TCPWM、12 Msps ADC)。
1)高性能可编程模拟子系统

高性能可编程模拟子系统
12 位12Msps SAR ADC,支持 16 个模拟通道进行并行空闲采样
每个通道都配备独立采样保持器
每个通道可独立配置增益(1、3、6、12)
所有通道都支持同步采样模式
16 个模拟通道可分配给 8 个独立的组,每组支持8路触发源
支持伪差分采样模式
每个通道集成限幅检测功能(助力过流/过压保护,减少CPU干预)
支持 ADC DMA 和 FIFO 模式,减少 CPU 干预
ADC 模拟输出可直接接入CSG 比较器进行保护
10 位 DAC 为比较器的输入提供参考电压
提供多路触发源输出(用于关键外设同步触发)
2)灵活的TCPWM
面向不同PWM应用的灵活计数模式以及灵活的输入输出触发信号。

TCPWM用于单电阻采样
3 个TCPWM 计数器用于产生 3 对互补 PWM 信号。1个 TCPWM 计数器用作 ADC 触发信号。电机运行时,所有 4 个 TCPWM 计数器同步。
溢出事件触发 FOC 中断,并在前半个 PWM 周期内执行。
所有 GPIO 均可用作 PWM 输出引脚,从而使 PCB 布局更加简便。
从 AD 采样到下一次 PWM 比较更新的时间间隔仅为约半个 PWM 周期,从而显著提升电流环带宽和观测器性能。
3、基于PSOC™ Control C3的交错并联式PFC+变频解决方案
1)Demo板硬件
交错并联式PFC+变频解决方案由PSOC™ Control C3M5 Digital Power Control Card和4KW的功率板组成。交错并联式PFC PWM 的载频在30kHz~40kHz,Peak efficiency: 97.4%,功率因数> 98%,总谐波失真<4.6%(满载运行时)。

Demo板硬件
2、系统框图

Interleave PFC (boost) + Compressor Control System Diagram
其中功率板采用EasyPIM™ 2B集成PIM模块FB50R07W2E3_B23,它带双通道交错PFC级和三相逆变桥,采用50A Highspeed5交错PFC级,50A沟槽栅截止层IGBT 3,发射极受控Emcon3二极管的逆变三相桥,压接安装和NTC,适用于热泵/暖通空调应用。


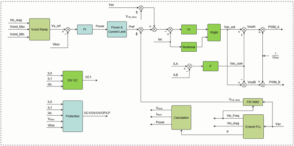
3)Interleave PFC 控制算法特性

Interleave PFC 控制算法框图
支持单精度浮点数据格式
支持输入频率自适应
支持高度优化的软件数学函数(sin/cos/atan2),保障计算精度和效率
支持非对称PWM输出模式
支持电流环倍频控制模式
支持电压电流双闭环模式
支持电感电流平衡控制
支持增强型单相PLL算法,实时检测输入频率,幅值与相位
支持线性与非线性混合型电流控制器,实现全负载范围高性能控制
完善的保护机制:过压/欠压/过流/过功率保护
4)测试波形
(1)稳定运行时的测试数据


220V, 50Hz, Power = 3kW下输出电压ripple仅16V

220V, 60Hz, Power = 3kW下输出电压ripple仅12V
(2)电阻负载瞬态变化响应测试:


220V, 50Hz, 0kW → 3kW

220V, 50Hz, 0kW → 3kW (zoom in)

220V, 50Hz, 3kW→ 0kW

220V, 50Hz, 3kW → 0kW (zoom in)
(3)电压瞬态变化响应测试:

185V →250V 60Hz, 3kW

185V→250V 60Hz, 3kW (zoom in)

250V →185V 60Hz, 3kW

250V→185V 60Hz, 3kW (zoom in)
可以看出在瞬态过程中也能维持输出电压的稳定。
英飞凌基于PSOC™ control C3控制器的交错PFC+变频方案,具有高集成度,高效能的特点,为客户提供了一体化的解决方案,降低了物料成本,PCB布局简洁,易于组装。
来源:英飞凌官微
免责声明:本文为转载文章,转载此文目的在于传递更多信息,版权归原作者所有。本文所用视频、图片、文字如涉及作品版权问题,请联系小编进行处理(联系邮箱:cathy@eetrend.com)。









