本文将以 Analog Devices (ADI) 的元器件为例介绍零漂移放大器,包括规格、参数和问题,然后探讨如何实现零漂移放大器的功能,以及改善放大器和相关信号链性能的方法。
现实世界中,许多传感器信号表现出非常缓慢和轻微的随时间变化,特别是与自然现象有关的信号。然而,正是这些微妙的变化对洞察细节和了解情况至关重要。例如,监测桥梁或结构运动的应变片、监测水流的水下传感器、与温度相关的现象、感测地震和地球表面板块运动的加速计、各种光学传感器的输出,以及几乎所有的生物电信号。
有效、准确地捕捉极低电平信号一直是个挑战。这类信号很容易受噪声干扰,因此放大信号是实现所需幅度和保持信噪比 (SNR) 的关键。这些信号的频率较低,通常只有几赫兹或几十赫兹 (Hz),俗称“直流信号”,这也增加了信号捕捉的难度。
放大器参数的任何初始直流偏移(如偏置电流或电压偏移)和固有 1/f(粉红)噪声,以及由于温度引起的漂移、电源轨变化或元器件老化造成的不可避免的性能变化,都会降低信号链的性能。
传统上,“零漂移”放大器只适用于较低带宽的应用,因为动态误差减小技术在较高频率下会产生过多伪影。然而,这种限制非常有限,因为这些类直流信号可能会突然爆发出重要的更高频率、更宽带宽的活动,例如当结构突然断裂或发生地震时。
因此,就非常需要对类直流信号具有极低漂移并具有良好高频性能的前端放大器。幸运的是,拓扑结构和设计的改进使零漂移放大器 IC 的开发成为可能,这种 IC 的工作范围覆盖直流到更高频率,基本上消除了偏移、参数漂移和 1/f 噪声。
处理非零漂移的问题
漂移是基线性能的改变,主要但不完全是由于传感器和模拟前端 (AFE) 电路中的各种热效应。实现近零漂移的传统解决方案是使用斩波稳定放大器,它能将低频信号(通常称为直流信号)调制为更容易控制和滤波的高频信号;随后由放大器进行输出级解调,恢复为原始但经过放大的信号。这种方法行之有效,并且已成功应用多年。
请注意,“直流信号”用词略有不当,“近直流”会更准确。如果是真正的直流信号,则值恒定,不会有承载信息的变化;然而,我们关注的恰恰是信号的缓慢变化。不过,通常仍然使用“直流信号”一词。
斩波稳定的一个替代方案是“自动归零”法。这种方法采用动态校正来达到类似的结果,但性能方面的权衡略有不同。零漂移运算放大器可以使用斩波法、自动归零法或这两种方法的组合来消除不必要的低频误差源。同样也有一个术语小问题:“零漂移”一词略有误导性:虽然这些放大器确实有极低的、非常接近零的漂移,但并不是完全为零,只是非常接近。每种方法都有利有弊,适合的应用场合各不相同:
斩波使用信号调制和解调,具有较低的基带噪声,但也会在斩波频率及其谐波处产生噪声伪影。
而自动归零使用采样保持电路,适用于更宽的频带应用,但由于噪声“折返”到频谱的基带部分,有更多的带内电压噪声。
先进的零漂移放大器 IC 结合了这两种方法,兼具两种方法的优势。这种 IC 管理噪声频谱密度 (NSD),以降低基带噪声,同时最大限度地减少高频误差,如纹波、毛刺和互调失真(IMD)(图 1)。

图 1:每种类型的模拟放大器都有独特的典型噪声频谱密度(NSD);零漂移放大器兼具自动归零和斩波稳定型方法的 NSD 性能,以产生更可接受的方案。(图片来源:Analog Devices)
从斩波开始
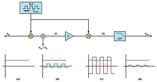
斩波稳定放大器(也称为斩波放大器或“斩波器”)使用斩波电路分解(斩波)输入信号,以便可以像处理调制交流信号一样进行处理。然后在输出端将信号解调为直流信号,以提取原始信号。
通过这种方式,可以放大极小的直流信号,而大幅减少不想要漂移的影响,使其接近为零。斩波调制将误差调制到更高的频率,从而使偏移和低频噪声从信号内容中分离出来,进而最大限度减少或通过滤波清除。
斩波操作细节在时域中很容易理解(图 2)。输入信号 (a) 被斩波信号(b) 调制成方波。该信号在输出端 (d) 被解调 (c) 回直流。放大器中固有的低频误差(红色波形)在输出端被调制 (c) 成方波,然后 (d) 由低通滤波器 (LPF) 滤波。

图 2:基本斩波法的输入信号 VIN(蓝色)和误差(红色)在 (a) 输入、(b) V1、(c) V2 和 (d) VOUT 的时域波形。(图片来源:Analog Devices)
频域分析也有指导意义(图 3)。输入信号 (a) 被调制到斩波频率 (b),在 f斩波 的增益级经过处理,在输出端解调回直流 (c),最后通过 LPF (d)。放大器的偏移和噪声源(红色信号)通过增益级进行直流处理,通过输出斩波开关 (c) 调制到 f斩波,最后由 LPF (d) 滤波。由于采用方波调制,因此约在调制频率的奇数倍进行调制。

图 3:信号(蓝色)和误差(红色)在 (a) 输入、(b) V1、(c) V2 和 (d) VOUT 处的频域频谱也是一个重要视角。(图片来源:Analog Devices)
当然,没有任何设计是完美的。从时域和频域图可以看出,由于 LPF 并非完美的“固若金汤”,因此调制噪声和偏移会产生一些残余误差。
前进到自动归零
自动归零是一种动态校正方法,工作原理是对放大器中的低频误差源进行采样并减除。基础自动归零放大器包括放大器(偏移和噪声无法避免)、开关(用于重新配置输入和输出)以及自动归零采样电容器(图 4)。

图 4:基础自动归零放大器配置,显示了用于重新配置信号路径的开关,可在电容器上捕获放大器的固有误差。(图片来源:Analog Devices)
在自动归零阶段,电路输入 ϕ1 与公用电压短接,自动归零电容器对输入补偿电压和噪声进行采样。需要注意的是,在这此期间放大器被另一项任务所占用,“无法”放大信号。因此,为了使自动归零放大器能够连续工作,必须在所谓的“乒乓”自动归零中对两个相同的通道进行交错处理。
在放大期间,输入 ϕ2 被接回信号路径,放大器又可以对信号进行放大。低频噪声、偏移和漂移被自动归零消除。残余误差是当前值与之前的误差样本之间的差。
由于低频误差源在 ϕ1 和 ϕ2 之间变化不大,这种消除法效果很好。然而,高频噪声被向下混叠到基带,导致白本底噪声增加(图 5)。

图 5:噪声功率频谱密度由斩波和自动归零操作形成,如图所示,(从左到右)自动归零前、自动归零后、斩波后、斩波和自动归零后。(图片来源:Analog Devices)
先进的自动归零 IC 放大器性能优异,在关键的偏移、漂移和噪声规格方面,通常比“非常好”的精密运算放大器高出一到两个数量级。因此,虽然他们的数值显然不是零,但却非常接近于零。
例如,ADA4528 单通道、轨至轨 (RTR)、零漂移放大器,其最大补偿电压为 2.5 μV,最大补偿电压漂移仅为 0.015 μV/°C,电压噪声密度为 5.6 nV)/√Hz(f = 1 kHz,增益为 +100 时),以及 97 nV峰峰(f = 0.1 Hz 至 10 Hz,增益为 +100 时)。另一款 ADA4522 单通道 RTR 零漂移放大器,其最大补偿电压为 5 μV,最大补偿电压漂移为 22 nV/°C,电压噪声密度为 5.8 nV/√Hz(典型值),0.1 Hz 至 10 Hz 时为 117 nV峰峰(典型值),同时输入偏置电流为 50 pA(典型值)。
伪影使其不够“完美”
尽管斩波在消除不想要的偏移、漂移和 1/f 噪声方面效果很好,但它本身会产生不需要的交流伪影,如输出纹波和毛刺。然而,由于仔细检查了每个伪影的根本原因,然后使用先进或复杂的拓扑和工艺方法,Analog Devices 的零漂移产品大幅减少了伪影的幅度,并在更高的频率下定位了伪影,在系统层面上更容易进行滤波。这些伪影包括:
纹波:斩波调制法的一个常见后果,将低频误差转移到斩波频率的奇数次谐波。放大器设计人员采用许多方法来减少纹波的影响,包括:
生产偏移微调:进行一次初始微调可以大幅减少标称偏移,但偏移、漂移和 1/f 噪声仍然存在。
斩波和自动归零相结合:放大器首先自动归零,然后进行斩波,将增加的噪声频谱密度 (NSD) 上调到更高的频率(如上图所示的斩波和自动归零后的噪声频谱)。
自动校正反馈 (ACFB):可以采用局部反馈回路来感测输出端的调制纹波,并在其源头将低频误差清零。
毛刺:由斩波开关的电荷注入不匹配造成的瞬态尖峰。这些毛刺的幅度取决于许多因素,包括源阻抗和电荷失配的程度。
毛刺尖峰不仅在斩波频率的偶次谐波处造成伪影,而且还产生与斩波频率成比例的残余直流偏移。图 6(左图)显示了这些尖峰在 V1 的斩波开关内和 V2 的输出斩波开关后的样子。在斩波频率的偶次谐波上出现的额外毛刺伪影由有限的放大器带宽引起(图 6,右图)。

图 6:V1(斩波开关内)和 V2(斩波开关外)处电荷注入产生的毛刺电压(左图);V1 和 V2 的有限放大器带宽引起的毛刺(右图)。(图片来源:Analog Devices)
正如纹波一样,放大器设计人员设计并实施了巧妙而有效的方法,以减少零漂移放大器中毛刺的影响。
电荷注入微调:可以向斩波放大器的输入端注入可微调电荷,以补偿电荷失配,从而减少运算放大器输入端的输入电流量。
多通道斩波:这不仅降低了毛刺幅度,而且还将其移至更高的频率,使滤波更容易。此方法导致更频繁产生毛刺,但与简单地以更高的频率进行斩波相比,毛刺幅度更小。
在典型的零漂移放大器 (A) 与 ADA4522 的比较中,可以清楚地看到多通道斩波的演示,后者使用该技术来显著减少毛刺的影响(图 7)。

图 7:由于改进后的斩波法产生的噪声毛刺较小,因此ADA4522 将电压尖峰降低到本底噪声。(图片来源:Analog Devices)
从单独的放大器到系统性能
要有效应用宽带零漂移放大器,需要仔细考虑系统级问题以及放大器。了解残余频率伪影在频谱中的位置以及它们的影响至关重要。
规格书中通常会说明斩波频率,但并非总是如此,也可通过观看噪声频谱图来确定斩波频率。例如,ADA4528 规格书明确指出斩波频率为 200 kHz,也可从噪声密度图(图 8)中看出这一数据。

图 8:ADA4528 的噪声密度图显示了该器件规格书中指定的相同斩波频率规格 200 kHz。(图片来源:Analog Devices)
ADA4522规格书指出,斩波频率为 4.8 MHz,偏移和纹波校正回路的工作频率为 800 kHz。图 9 的噪声密度曲线图显示了这些噪声峰值。在 6 MHz 处还有一处噪声激增,这是由于统一增益时回路的相位裕量减少,但这并非零漂移放大器所特有的现象。

图 9:ADA4522 噪声密度图不仅显示了斩波频率,还包括各种来源引起的其他噪声峰值。(图片来源:Analog Devices)
设计人员应该记住,规格书中标注的频率为典型值,可能会因零件而异。因此,需要两个斩波放大器用于多个信号调节通道的系统设计应使用双放大器。这是因为两个单体放大器的斩波频率可能略有不同,而这又会相互作用并产生额外的 IMD。
其他系统层面设计条件包括:
匹配输入源阻抗:瞬时电流毛刺与输入源阻抗相互作用,导致差分电压误差,有可能引起斩波频率倍数的额外伪影。为了最大限度地减少这种潜在的误差源,应将斩波放大器的每个输入设计成具有相同的阻抗。
IMD 和混叠伪影:斩波放大器输入信号可以与斩波频率 f斩波 混合,在它们的和积与差积以及它们的谐波上产生 IMD:f输入 ± f斩波、f输入 ± 2f斩波、2f输入 ± f斩波 等等。产生的这些 IMD 可以出现在感兴趣频带,特别是当 f输入 接近斩波频率时。然而,选择斩波频率远大于输入信号带宽的零漂移放大器,可以确保在放大器这一级之前将接近 f斩波 频率的可能“干扰因素”过滤掉,从而最大限度减少这个问题。
用模数转换器 (ADC) 对放大器的输出进行采样时,也会混叠斩波伪影。产生的这些 IMD 的具体情况取决于毛刺和纹波的幅度,并且因零件而异,因此通常有必要在 ADC 之前增加抗混叠滤波器以减少这种 IMD。
毫无疑问,要发挥零漂移放大器的全部潜力,滤波至关重要,因为它是在系统层面处理这些高频伪影的最有效方法。零漂移放大器和 ADC 之间的低通滤波器减少了斩波伪影,避免了混叠。
具有较高斩波频率的零漂移放大器对 LPF 的要求更宽松,允许更宽的信号带宽。尽管如此,根据系统和信号链需要多少带外抑制,可能需要高阶有源滤波器,而非简易滤波器。
ADI 拥有各种资源来加速和简化滤波器设计,包括多反馈滤波器教程 (MT-220) 和联机 Wizard 滤波器设计工具。了解这些斩波伪影发生的频率有助于创建所需的滤波器(图 10)。

图 10:上表汇总了零漂移放大器的噪声类型及其频谱位置,是评估所需滤波方式和应用场景的有用指南。(图片来源:Analog Devices)
榨干最后一点性能
使用优异的元器件和精心的系统设计后,设计人员发现一个问题:残余误差源现在很明显。以前无关紧要或看不见的误差源现在成了实现顶级性能的限制因素(这就好比一条河遇干旱干涸后,新的河床地貌才首次显现)。换言之,当一阶和二阶误差源被最小化或消除后,三阶误差源就成为问题。
例如,对于零漂移放大器及其模拟信号通道,偏移误差的一个潜在来源是电路板上的塞贝克电压。这种电压出现在两种不同金属的交界处,与交界处温度呈函数关系。电路板上最常见的金属结点是焊料到电路板的印制线和焊料到元器件的导线。
考虑焊接在印刷电路板(pc 板)上的表面贴装元器件的横截面(图 11)。整个电路板的温度变化(如 TA1 与 TA2 不同)导致焊点的塞贝克电压不一致,造成热电压误差,因此降低了零漂移放大器的超低补偿电压性能。

图 11:随着先进的零漂移放大器显著减少误差,诸如热梯度和塞贝克电压引起的误差等不太明显的来源成为挑战,必须加以解决。(图片来源:Analog Devices)
为了最大限度地减少这些热电偶的影响,电阻器定位时应使两端在各种热源下同等受热。如果可能,输入信号路径必须包含匹配数量和类型的元器件,以匹配热电偶结点的数量和类型。零欧姆电阻器等伪元器件可用于匹配热电误差源(相反输入路径上有真正的电阻器)。将匹配的元器件靠近放,并以相同的方式定位,这将确保塞贝克电压相等,以消除热误差。
此外,可能必须使用相同长度的导线,以保持热传导的平衡。电路板上的热源应尽可能远离放大器的输入电路。此外,可以用地平面来帮助在整个电路板上散热,以保持整个电路板的温度恒定,并减少 EMI 噪声拾取。
总结
如今的零漂移 IC 性能高度稳定且准确,而实际应用中,在捕捉极低频率信号时又要求准确性和一致性,因而零漂移 IC 成为 AFE 难题的解决方案。它们解决了在准确放大这些直流信号或接近直流的信号方面长期存在的问题,以及许多需要更高带宽的情况。构建此类放大器时将目前的两种方法整合到了单个 IC 中——即斩波稳态法和自动归零法——设计人员可以从两种方法的优势中受益,这也极大减少了伪影和不足。
文章来源:Digikey