单片机复位电路就好比电脑的重启部分,当电脑在使用中出现死机,按下重启按钮电脑内部的程序从头开始执行。单片机也一样,当单片机系统在运行中,受到环境干扰出现程序跑飞的时候,按下复位按钮内部的程序自动从头开始执行。本文介绍的就是单片机按键复位电路原理和电路图解析。
复位电路
在单片机系统中,系统上电启动的时候复位一次,当按键按下的时候系统再次复位,如果释放后再按下,系统还会复位。所以可以通过按键的断开和闭合在运行的系统中控制其复位。
当这个电路处于稳态时,电容起到隔离直流的作用,隔离了+5V,而左侧的复位按键是弹起状态,下边部分电路就没有电压差的产生,所以按键和电容 C11以下部分的电位都是和GND相等的,也就是0V电压。我们这个单片机是高电平复位,低电平正常工作,所以正常工作的电压是0V电压,完全OK,没有问题。
通常的按键分为独立式按键和矩阵式按键两种,独立式按键比较简单,并且与独立的输入线相连接,如下图所示。

独立式按键电路图
4条输入线接到单片机的IO口上,当按键K1按下时,+5V通过电阻R1然后再通过按键K1最终进入GND形成一条通路,那么这条线路的全部电压都加到了R1这个电阻上,KeyIn1这个引脚就是个低电平。当松开按键后,线路断开,就不会有电流通过,那么KeyIn1和+5V就应该是等电位,是一个高电平。我们就可以通过KeyIn1这个IO口的高低电平来判断是否有按键按下。
这个电路中按键的原理我们清楚了,但是实际上在我们的单片机IO口内部,也有一个上拉电阻的存在。我们的按键是接到了P2口上,P2口上电默认是准双向IO口,我们来简单了解一下这个准双向IO口的电路,如下图所示。

准双向IO口结构图
当内部输出是高电平,经过一个反向器变成低电平,NPN三极管不会导通,那么单片机IO口从内部来看,由于上拉电阻R的存在,所以是一个高电平。当外部没有按键按下将电平拉低的话,VCC也是+5V,他们之间虽然有2个电阻,但是没有压差,就不会有电流,线上所有的位置都是高电平,这个时候我们就可以正常读取到按键的状态了。
当内部输出是个低电平,经过一个反相器变成高电平,NPN三极管导通,那么单片机的内部IO口就是个低电平,这个时候,外部虽然也有上拉电阻的存在,但是两个电阻是并联关系,不管按键是否按下,单片机的IO口上输入到单片机内部的状态都是低电平,我们就无法正常读取到按键的状态了。
矩阵按键和独立按键的关系
我们在使用按键的时候有这样一种使用经验,当需要多个按键的时候,如果做成独立按键会大量占用IO口,因此我们引入了矩阵按键,如图6所示,使用了8个IO口来实现16个按键。

其实独立按键理解了,矩阵按键也简单,我们来分析一下。图6中,一共有4组按键,我们只看其中一组,如图7所示。大家认真看一下,当KeyOut1输出一个低电平,KeyOut2、KeyOut3、KeyOut4这三个输出高电平时,是否相当于4个独立按键呢。

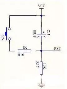
单片机按键复位电路各元件的作用

如上图,R17 C13组成止电复位电路,刚上电时,C13是电压为0,电源通过R17对电容充电,因此,RST引脚呈现高电平,高电平时间大于2个晶振周期,单片机复位。
电容充电完毕,RST引脚呈现低电平,复位结束。
按钮S22和R16组成手动复位电路 ,按下S22,电源接通R16和 R17,由于R17阻值比较大,因此RST是高电平,同时电容通过R16迅速放电,即使按钮触点断开,电源也可对C13充电,使RST高电平稳定一段时间 ,保证可靠复位。C13容量较小时,R16可省掉,小电容短路放电不会损坏按钮触点。
来源:瓜甜公众号
免责声明:本文为转载文章,转载此文目的在于传递更多信息,版权归原作者所有。本文所用视频、图片、文字如涉及作品版权问题,请联系小编进行处理(联系邮箱:cathy@eetrend.com)。