跳转到主要内容
--## 电子创新网图库均出自电子创新网,版权归属电子创新网,欢迎其他网站、自媒体使用,使用时请注明“图片来自电子创新网图库”,不过本图库图片仅限于网络文章使用,不得用于其他用途,否则我们保留追诉侵权的权利。 ##--

本网站转载的所有的文章、图片、音频视频文件等资料的版权归版权所有人所有,本站采用的非本站原创文章及图片等内容无法一一联系确认版权者。如果本网所选内容的文章作者及编辑认为其作品不宜公开自由传播,或不应无偿使用,请及时通过电子邮件或电话通知我们,以迅速采取适当措施,避免给双方造成不必要的经济损失。
winniewei 提交于

作者:Jerome Rollet,模拟设计高级工程师

摘要

本文聚焦Pierce架构晶体振荡器的临界跨导,阐述其物理内涵,并通过严格、逐步的推导过程帮助读者准确理解其本质。

引言

晶体振荡器是电子系统中实现精确计时的关键器件,大多数工程师都熟悉其基本原理。设计中广泛使用临界跨导和最优跨导的计算公式,但这些公式究竟从何而来,却很少被深入讨论。本文旨在揭示这些公式背后的推理过程。文章将从晶体的阻抗、Pierce振荡器拓扑结构等基本概念入手,结合振荡器反馈策略,逐步进行推导。通过循序渐进的电路分析,本文将说明这些公式是如何得出的,从而帮助读者不仅掌握公式本身,而且真正理解其来源和重要性。

设置频率

晶振是一种由石英制成的小型元件,其工作原理基于压电效应:当施加电场时,晶体会产生机械振动;反之,当受到机械应力时,晶体会产生电响应。晶振的电气行为可以用图1所示的电路模型来描述。

1.jpg

1.石英晶振等效电气模型

晶振本身可在如下特定频率下表现出串联谐振:

2.jpg

而在并联模式下,它也会在如下特定频率下表现出反谐振:

3.jpg

将一个额外电容CL与晶振并联时,晶振受到负载作用,其振荡频率变为:

4.jpg

通常,Cm « CS,这意味着串联谐振频率与并联谐振频率(fS和fP)非常接近。有趣的是,负载状态下的振荡频率总是介于fS和fP之间。

Pierce配置(图2)是一种广泛使用的晶体振荡器拓扑结构。

5.jpg

2.Pierce振荡器电路

电阻RF将反相器偏置到其线性工作区,从而设置直流工作点,而不会显著影响交流环路行为。对于交流分析,其影响可以忽略不计,故不予考虑。在本文中,反相器用理想跨导(Gm)来建模。

振荡器系列:正反馈与负阻

谐波振荡器主要分为两类:正反馈振荡器和负阻振荡器。

正反馈振荡器的工作原理是将一部分输出信号以恰当的幅度和相位反馈到输入端,以满足Barkhausen稳定性判据:

6.jpg

其中,A为增益,B为反馈传递函数。这种方法通常用在增益和反馈路径明确界定的场合,例如文氏电桥或环形振荡器。

负阻振荡器则通过抵消电路中阻性(有耗)元件产生的能量损耗,实现能量在电抗性元件之间的自由传递。振荡的条件变为:

7.jpg

当存在谐振器时,例如LC谐振电路或晶体,这一视角会更为直观。常见的例子有Hartley、Colpitts和Clapp振荡器。

这两种方法尽管在概念上有所不同,并依赖于不同的分析视角,但描述的是相同的物理现象。

临界Gm在晶体振荡器中的重要性

在晶体振荡器电路的关键设计参数中,跨导起着核心作用。如果Gm太低,振荡器将无法起振。这种故障既隐蔽又让人头疼。为了确保可靠地起振,Gm必须超过一个阈值,即临界Gm

经验法则的陷阱

有时我们会看到一个用于估算临界跨导的简化表达式:

8.jpg

此近似公式大致源于Barkhausen判据和谐振行为。对于串联谐振,晶振的阻抗简化为Z ≈ Rm(忽略CS),环路增益近似为A × B = Gm × Rm > 1。然而,此模型未能准确反映Pierce振荡器的拓扑结构,导致所得结果不仅错误,甚至与预期行为背道而驰。如后文所示,提高Rm实际上要求Gm随之提升。

产生负阻

如前所述,由于电路包含谐振器,因此负阻方法是更合适的分析方法。产生负阻的一种简单方法是查看拓扑的输入阻抗,如图3所示。

9.jpg

3.产生负阻

计算VX处的动态阻抗,验证其具有如下形式:

10.jpg

这就产生了一个负阻,其值等于

11.jpg

晶振所看到的交流电路等效于图4所示电路。

12.jpg

4.等效电路

若仅考虑动态支路(假设CS可忽略不计),则实现振荡的条件为Gm > 4 × Rm × (CL × ω)2。

传统方法

一种简便的方法是将分流电容视为晶振阻抗Zx的一部分(见图5)。

13.jpg

5.晶振的阻抗

使用基本阻抗变换可得出:

14.jpg

该阻抗的实部可表示为:

15.jpg

为了抵消阻性损耗,负阻必须等于动态电阻:

16.jpg

由此得到如下二次方程:

17.jpg

通过计算判别式Δ,我们就能确定是否存在实数解(∈ℝ)。

18.jpg

如果判别式Δ为负,则系统没有实数解。如果Δ为正,则方程有两个满足条件的Gm值,这两个值之间的任何数值都可能导致系统发生振荡。下限称为临界跨导Gm_CRIT,这是起振所需的最小值。上限称为最大跨导Gm_MAX,超过此值即无法维持稳定振荡。精确值可利用数值求解器确定。

19.jpg

求解这个条件:

20.jpg

可确定最优跨导,此时晶振阻抗的负实部取得最大值。结果得到如下表达式:

21.jpg

当Gm从0增大到+∞时,晶振阻抗在复平面上演变。这一演变过程展示了从临界Gm,经过最优Gm,直到最大Gm的转变。在此范围之外,损耗得不到补偿,系统无法维持振荡(见图6)。

22.jpg

6.复平面中的阻抗

我们主要关注的值通常是Gm_CRIT。假设Gm × C 2 « 4 × (C × C + C 2)2 × ω2,则阻抗Z可近似为:

23.jpg

这种简化有时称为“小Gm近似”。其物理机制在于:晶振的品质因数非常高(通常在10,000至100,000量级),Rm很小,故相关损耗极小。因此,负阻抗电路(Gm)产生的影响应该极小。根据这一假设,临界Gm可用更紧凑的形式表示:

24.jpg

弯路不枉,终得灼见

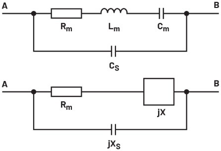
之前的方法将晶振视为一般阻抗,而没有区分其电阻性和电抗性分量。还有一种替代方法,其推导过程稍长,但能带来更深层次的洞察,并在实际应用中具有明显优势。

首先,对晶振的动态支路进行简化处理,将其感性和容性元件合并为单一的电抗项X。为了保持符号的一致性,分流电容的电抗定义为jXS,其中XS = -1/(CS × ω)。

25.jpg

7.另一晶振模型

晶振的阻抗(A和B之间)可以写成:

26.jpg

节点A和B之间的有效电阻对应于这些点上看到的阻抗的实部:

27.jpg

将晶振连接到负载电容后,电路示意图如图8所示。

28.jpg

8.负载状态下的另一晶振模型

在谐振状态下,电抗性分量相互抵消,因此:

29.jpg

将此结果带入之前的REQ方程可得:

30.jpg

上式可简化为:

31.jpg

如果假设:

32.jpg

成立,则放大器处看到的晶振等效电阻可近似为:

33.jpg

此公式揭示了晶振内部功耗、动态电阻Rm和电容比CS/CL之间的定量关系。晶振存在最大允许功耗,超过此值会影响其长期可靠性。现在可估算功耗有效值Prms = REQ × Irms2,以验证振荡器是否在安全驱动电平范围内运行。

遗憾的是,REQ这一术语常被称为等效串联电阻(ESR),其在振荡器设计中的用法并不统一。在某些语境下,ESR指的是放大器所看到的有效电阻(即所谓的REQ)。在其他语境下,则表示动态电阻(电气串联电阻),代表晶振本身的固有损耗(即所谓的Rm)。更令人困惑的是,有些供应商将Rm标注为ESR,而某些文档在计算临界Gm时,又使用ESR指代Rm。通常,CS远小于CL,因此Rm和REQ在数值上很接近。这或许可以解释为什么二者之间的区别经常被忽略。希望这一澄清能帮助读者区分二者,从而在计算起振条件、谐振频率或估算驱动电平时,能够选用最合适的值。

回到等效电路,振荡器现在可用图9所示电路来表示。

34.jpg

9.另一等效电路

同样,为了维持振荡,放大器所呈现的负阻必须抵消晶振所看到的等效电阻:

35.jpg

对公式26进行整理后,可得到与此前推导出的相同的临界跨导表达式:

36.jpg

四倍法则

本质上,临界Gm代表维持振荡所需的精确数学阈值。它确保晶振中损失的能量恰好被放大器补偿。然而,为了保证晶振在实际条件下可靠地起振,设计人员通常会刻意加大Gm。此举考虑了Rm偏差、驱动电平依赖性和起振动态变化所带来的影响。在实践中,通常采用4倍安全系数,以确保系统在温度变化、老化和工艺变化等条件下依然稳健可靠。

结语

本文阐释了为什么临界Gm对于晶体振荡器的起振和稳定性至关重要。文中探讨了它与Rm、CS和CL的依赖关系,指出了单纯依赖1/Rm的常见陷阱,并提出了两种相互补充的求解方法。每种方法都提供了独特的洞见:一种方法能够全面呈现系统的工作范围,另一种方法则揭示了其与驱动电平之间的主要关系。理解这些原理有助于设计人员克服经验法则的局限,转而通过精确计算来确保系统在实际条件下可靠地起振并稳健地运行。

参考文献

Marvin E. Frerking,“Crystal Oscillator Design and Temperature Compensation”,Litton Educational Publishing, Inc.,1978年。

Behzad Razavi,“The Crystal Oscillator”,IEEE Solid-State Circuits Magazine,第9卷,2017年6月。

Eric Vittoz、Marc Degrauwe和Serge Bitz,“High-Performance Crystal Oscillator Circuits:Theory and Application”,IEEE Journal of Solid-State Circuits,第23卷,1988年6月。

作者简介

Jerome Rollet是ADI公司数据中心和能源部的模拟设计高级工程师。他于2014年加入ADI公司,此前曾担任Maxim Integrated的技术人员。Jerome在电源管理和混合信号电路设计方面拥有17年的专业经验,涉足消费电子、工业和汽车电子等应用领域。他拥有格勒诺布尔理工学院电子工程硕士学位和格勒诺布尔阿尔卑斯大学微电子与纳米电子研究硕士学位。

精彩推荐

2026英伟达GTC大会专题

CES 2026(国际消费类电子产品展览会)专题

第四届南渡江智慧医疗与康复产业高峰论坛

第十五届松山湖中国IC创新高峰论坛

第四届滴水湖中国RISC-V产业论坛

Recent comments

  • 1873774516_516738
  • 2460440665_516737
  • 1457585548_516736
  • 780289498_516735
  • 2283262460_516734