作者:Christopher Gobok,ADI 产品营销总监
简介
IEEE新推出的以太网供电(PoE)标准,也被称为PoE 2或802.3bt(以前称为PoE++),从推出至今刚满3年,但其应用势头比过去更为强劲。虽然因为受到2019年新冠肺炎疫情(COVID-19)的影响,远程工作的数量增加,但每年部署的以太网供电端口数量也在持续增加。雇主利用空下来的桌椅,升级IT基础设施,打造面向未来的工作场所,希望最终能够座无虚席。要创建智能办公室,就需要在办公室内配备多台连接至互联网的物联网设备,包括会议室标牌、电话会议设备和各种传感器。智能办公室具有诸多优势,包括节能、简化业务运营,或许更重要的是,提高员工在工作场所的安全性。新冠肺炎疫情只是加快凸显了我们对可管控的楼宇暖通空调(HVAC)系统和大量非接触式公共物品的需求,促使设施和IT经理开始协作部署支持PoE的系统。根据650 Group市场研究公司的数据,到2025年,全球交换机/PoE端口的出货量预计将超过1.5亿。
PoE 2在2018年获得批准时,可以为通电设备(PD)提供高达71.3 W功率,将近之前标准(25.5 W)的3倍。PoE 2可以通过相同的千兆以太网电缆传输电源,为过去、如今和未来的许多需要大量功率和数据的应用奠定基础,包括用于在人员进入工作场所之前,在入门位置对人员实施新冠肺炎筛查的远端温度监测系统和红外摄像头。
图1显示基本的PoE框图,其中一台PD连接至供电设备(PSE)。对于过去的几代PoE,一个电源通道就足以为每个PoE端口供电。经过快速发展,现在,到了802.3bt,每个端口需要配备两个电源通道,以实现中等和高电平,此外,可能还需要考虑提高每个通道的功率密度。在全球以太网市场中,支持PoE的端口的数量在不断增加。受上述所有因素影响,IT部门需要部署大量高功率密度、高端口数量的系统,所有这些系统都要求达到99.999%(5个9)的正常运行时间和可靠性。我们需要一种真正可扩展的PoE子系统来简化高端口数量、支持PoE的交换机的部署,这种需求由来已久。

图1.以太网供电框图

图2.LTC9101/LTC9102/LTC9103 PoE 2 24端口PSE芯片组的简化原理图。
ADI公司作为PoE领域的带头人、IEEE 802.3bt Task Force的成员,以及以太网联盟的活跃成员,长期以来一直在提供出色的PSE和PD控制器,为如今部署的数以百万计的端口贡献了自己的力量。刚刚发布的ADI LTC9101、LTC9102和LTC9103高端口数量的PSE芯片组和ADI的PoE 2 PD控制器让开发人员能够提供完整的端到端PoE 2系统。我们来深入研究一下为何这款新平台在如今的市场中地位特殊。
基于平台的PSE设计方法
现代的交换芯片是非常复杂的系统,常常会面对非常严苛的环境条件,包括浪涌和电缆放电,且必须提供出色的系统可靠性和正常运行时间。过去的PSE架构方法是在组件层级审查PSE子系统设计,重点关注增量组件改进,而这些改进并不一定会优化整体系统性能。若从更高层级审查PSE子系统,将迫使ADI公司的设计团队开始重新思考PSE范例,并提供系统级解决方案。LTC9101/LTC9102/LTC9103和未来的衍生产品将采用这种系统级方法,将数字和模拟组件组合起来,以解决系统集成商面临的PSE挑战,包括表1中列出的挑战。
表1.PSE系统级挑战和解决方案
系统集成商面临的挑战 | ADI解决方案 |
浪涌和电缆放电 | 耐用的端口引脚 |
系统级隔离要求 | 集成式隔离通信通道 |
LED照明支持 | 专用的、每个端口的检测/分级资源 |
802.3bt复杂性和标准变更 | 带闪存的自定义数字控制器 |
混合端口设计 | 软件可配置架构 |
寄存器接口的多样性 | 平台的灵活性(即将实现) |
热效率 | 行业中极低的功率路径电阻 |
功率输出效率 | 符合802.3bt标准的汽车类别 |
LTC9101/LTC9102/LTC9103属于自隔离PSE控制器芯片组的一部分,基于衬底,专为PoE 2系统设计。图2显示简化的原理图,以及如何为多达48个以太网端口中的一个端口供电。芯片组具有新特性,它们支持集成式隔离。所以,在芯片组架构中,LTC9101为PSE主机提供隔离数字接口,而多个LTC9102和/或LTC9103提供高压模拟以太网接口。802.3以太网规范要求将网段(包括PoE电路)与底盘地和PHY进行电气隔离。通过将LTC9101置于非隔离侧,将LTC9102或LTC9103置于隔离侧,可将多达6个昂贵的光耦合器和1个隔离电源替换为更便宜、更可靠的10/100以太网变压器。这种拓扑结构不仅可以节省成本,还可以实现更稳定可靠和易于制造的PSE设计。
这种可扩展的解决方案支持灵活实施大型PSE系统,端口数量从4个到48个,具体由每个端口需要多少功率来决定。每个设计至少需要一个LTC9101数字控制器和一个或多个LTC9102/LTC9103模拟控制器。
LTC9102提供12个电源通道,每个通道为以太网电缆中的4个电缆对中的2对供电,为12个30 W端口(每个端口使用一个电源通道)到6个90 W端口(每个端口使用两个电源通道)供电。
同样,LTC9103提供8个电源通道,可用于为8个30 W端口到4个90 W端口供电。
单个LTC9101可以管理多达4个LTC9102和/或LTC9103,它们可以混合和匹配使用。例如,可以使用1个LTC9101、1个LTC9102和2个LTC9103来构建24端口PSE,包含4个90 W端口和20个30 W端口,如图3所示。

图3.LTC9102/LTC9103混合/匹配实现示例:24端口PSE,包含4个90 W端口和20个30 W端口
IT和设施经理都很喜欢LTC9101的第六代数字功能,包括用于存储固件更新的内部eFlash和自定义用户配置包、向后兼容LTC4291 4端口PoE 2 PSE驱动器,以及I2C串行接口。LTC9101的现场可升级固件映像存储在专用的闪存分区中,在该位置预先配置了符合IEEE 802.3at/bt标准的固件映像。在单独的ECC和CRC保护措施下,维护固件映像的两个完整副本,以最大限度保护数据。在成功启动芯片组之后,用户可以配置并通过LTC9101的I2C接口与芯片组通信,每个端口可以单独配置为四种PSE操作模式(自动、半自动、手动或关断)中的一种,且可以使用端口电流、PoE电源电压和端口电源等的遥测读数来管理系统电源。
LTC9101是芯片组的核心,LTC9102/LTC9103则是枝干,通过多种方式保证高压电源路径的高效率和耐用性。每个LTC9102/LTC9103电源通道都采用专用的检测和分级硬件。这使得所有端口都能够同时检测、分级和上电,从而大幅降低交换芯片中的上电延迟。其他不太先进的PSE容易受到PD等明显的延迟影响;例如,LED以串行端口为基础供电。LTC9102/LTC9103使用外部MOSFET控制每个电源通道,所以用户可以选择低RDS(ON)器件,以降低功耗并解除通道故障。使用0.1 Ω检测电阻有助于进一步降低功耗。
在发生过电流故障或端口短路时,LTC9102/LTC9103在~1 µs内快速断开电源,以保护PSE、MOSFET和后端电路。此外,所有面向端口的引脚可以承受高达+80 V或低至–20 V的电压瞬变事件,不会造成损坏。芯片组能够根据IEC 61000-4-5浪涌抗扰度规范,尽可能采用较少的外部器件,在超过±6.5 kV的浪涌下运行,这一特性非常不错(DC3160演示板显示了此特性)。在发生故障之后,LTC9102/LTC9103能够以限流的方式快速安全地重新开启MOSFET,尽量减少对PD的中断,这是尽量延长网络正常运行时间的关键。
PoE 2拓扑、检测方案和功率分级
PoE 2引入了两种不同的PD特征配置:单特征和双特征PD。单特征PD(图4)是在两个线对(pairset)之间共用相同的检测特征和分级特征的PoE2 PD PD。双特征PD是在每个线对上都具有独立特征的PoE 2 PD,允许每个线对具有完全独立的分级和功率分配。双特征PD解决方案非常复杂,其成本是单特征PD的两倍。值得注意的是,尽管共用一个相同的架构,802.3bt双特征PD并不等同于先前标准的UPoE设备。LTC9101/LTC9102/LTC9103支持可靠的PoE 2 PD检测过程,包含新的连接检查子过程,以确定PSE连接哪种PD特征配置。
除了进行连接检查外,器件还需验证连接的PD是否是符合IEEE标准的PD。虽然IEEE要求PSE使用2点电压或2点电流检测方案之一来检测有效PD特征(25 kΩ),但LTC9101/LTC9102/LTC9103通过同时采用两种类型的检测方案以实现更稳定可靠的方案。这种多点(多电压和多电流)检测机制可用来消除误报,并可避免损坏未针对PoE直流电压承受力而设计的网络设备。
PoE 2为两对导体(4线)供电,以提供高达25.5 W的功率,为四对导体(8线)供电,以提供高达71.3 W的功率。这不仅能实现更高功率水平,而且由于在所有导体通电后,电缆中的功率损耗减少了一半,因此使用更多导体可以提高旧有的低功率水平系统的效率。例如,为确保PoE 1 PD可接收到25.5 W,需要采用PoE 1 (PoE+) PSE提供30 W功率,因为在100 m的CAT5e电缆上的损耗为4.5 W。四对导体通过PoE 2为相同的25.5 W PD供电,通常可将损耗降低至2.25 W以下,从而使总功率传输效率从85%提高至92.5%。考虑到全球PoE PD的数量,这意味着大幅降低功耗,在许多用例中,碳排放量可降低7.5%。

图4.单特征与双特征PD的拓扑结构
PoE 2引入四种新的大功率PD分级,从而使单特征分级总数达到9个(如表2所示)。分级5至8是PoE 2的新增分级,相当于40 W至71.3 W的PD功率水平。PSE仍然可选择使用物理层(即用于71.3 W的5事件分级)或数据链路层(即链路层发现协议,LLDP)进行PD的分级,而且PD依然必须能够支持两种分级方案以与标准相符。请记住,因为每个线对在双特征PD中独立运行,所以每个线对都可以是不同的分级。例如,第一个线对上的Class 1 (3.84 W)和第二个线对上的Class 2 (6.49 W)将形成一个双特征Class 1和Class 2 (10.3 W) PD。
表2.PoE 2 PD分级和功率水平
单特征PD | 双特征PD | ||
分级 | 可用的PD功率 | 分级 | 可用的线对PD功率 |
0 | 13 W | ||
1 | 3.84 W | 1 | 3.84 W |
2 | 6.49 W | 2 | 6.49 W |
3 | 13 W | 3 | 13 W |
4 | 25.5 W | 4 | 25.5 W |
5 | 40 W | 5 | 35.5 W |
6 | 51 W | ||
7 | 62 W | ||
8 | 71 W | ||
PoE 2 PD还可以实现物理层分级的一种可选扩展(称为Autoclass),其中PoE 2 PSE(如LTC9101/LTC9102/LTC9103)芯片组测量连接PD的实际最大吸取功率。这样,利用这种电源管理功能,可以将剩余的功率分配给其他灯泡(如果测量某个灯泡,由于较低的亮度设置或电缆较短,其功耗低于其分级功率)。
不言而喻,PoE 2可向后兼容旧的 25.5 W 和13 W PoE 1标准。较低功率的PoE 1 PD可以连接至较高功率的PoE 2 PSE,这不会有任何问题。而且,当情况反过来时,即较高功率的PoE 2 PD连接至较低功率的PoE 1 PSE时,PD可在经协商的较低功率状态下工作,这被称为降级。如果PD忽略降级并工作在其最高功率状态,则高耗电的PD将导致PSE反复地接通,达到其电流限值,然后关断,这实际上使PSE产生低频寄生振荡。因此,PoE 1和PoE 2 PD都需要降级,但遗憾的是在许多实施方案中降级被忽视了。
非常高效的PD
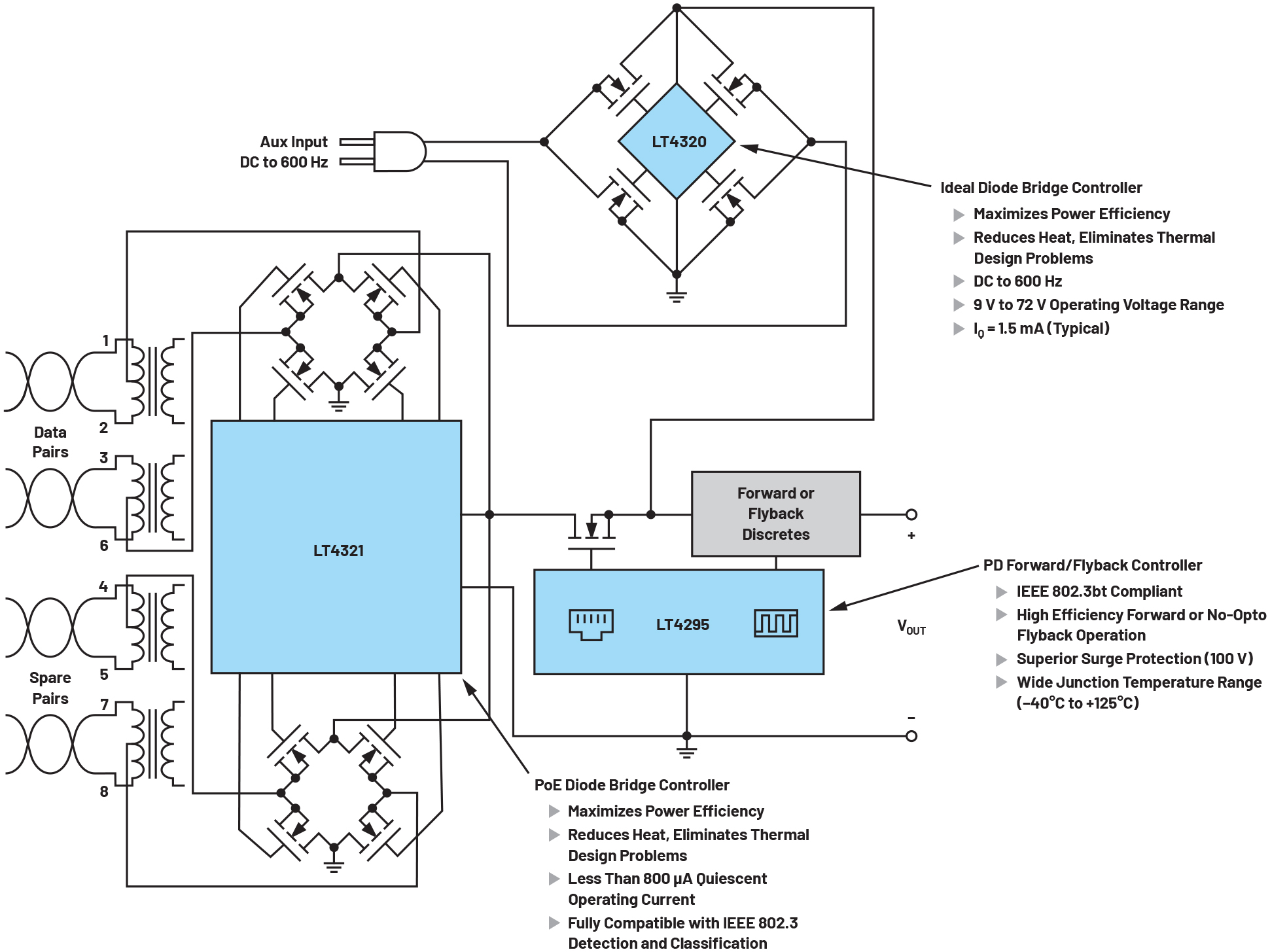
ADI提供大量独特的IC,包括Maxim Integrated(现已成为ADI的一部分)设计的那些IC,以尽可能提高PoE 2 PD的性能。图3显示了带有辅助输入的高效单特征PoE 2 PD接口的简化框图。该解决方案拥有高于94%的端到端(RJ-45输入至PD负载)效率,并可在-40℃至125℃的温度范围内工作。
图5中RJ-45接口上的LT4321是一款有源二极管桥控制器,可用来取代所需的二极管桥式整流器。LT4321采用低损耗N沟道MOSFET桥,可同时提高PD的可用功率并减少散热量。PoE 2要求PD在其以太网输入端上能够接受任何极性的直流电源电压,因此LT4321可将来自两组数据线对的电源进行平滑的整流,并将其整合为极性正确的单个电源输出。由于电源效率提高实际上免除了散热要求,所以总体电路尺寸和成本得以降低,并且功率可降低10倍或更多,从而使PD能够保持在分级功率预算之内,或者使PD能够增加功能。
图5所示的理想二极管桥控制器是PD接口的“大脑中枢”,LT4295是一款PoE 2 PD接口控制器,集成了一个高效的正激式或无光耦合反激式控制器。LT4295利用一个集成型25 kΩ特征电阻、高达5事件分级和单特征拓扑支持所有9种IEEE PD分级。除了提供更多的PD功率之外,使LT4295优于传统PD控制器的因素是其采用一个外部功率MOSFET以进一步地大幅降低总体PD散热量并充分提高电源效率,由于PoE 2的功率水平更高,因此这一点变得更为重要。
对于那些需要能够支持辅助电源的PoE 2 PD设计,PD可以选择由电源适配器供电,图3顶部所示的LT4320是一款9 V至72 V有源二极管电桥控制器,它采用低损耗N‐沟道MOSFET取代了全波桥式整流器中的全部4个二极管,以显著降低功耗并增加可用电压。由于电源效率的提升免除了笨重和昂贵的散热器,因此可缩减电源和墙上变压器的尺寸。通过几乎消除热运行二极管桥中固有的两个完整二极管压降(~1.2V,即12V的10%)提供了额外的裕量,从而增加了应用的储备空间,低电压应用亦能从中获益。
结论
在如今不断发展的全球以太网市场中,PoE 2仍然相当重要,即使在远程工作持续凸显优势的情况下也是如此。大中小型企业都对大楼进行改造,安装支持PoE的扫描仪、摄像头和其他系统来保护员工安全,所以比以往更加需要高端口数PSE。ADI公司的LTC9101/LTC9102/LTC9103 PoE 2 PSE芯片组能够满足这种需求,它们让交换芯片供应商能够高效、可靠地为高达48个以太网端口供电,且为设施和IT经理提供先进电源管理功能。同时,PD开发人员可以在电缆的另一端继续使用ADI公司的多款IC来提高集成度,减少散热量,并提高电源效率。

图5.带有辅助输入的高效IEEE 802.3bt单特征PD接口的简化框图
作者简介
Christopher Gobok是ADI公司电源系统管理产品的产品营销总监。Chris毕业于圣何塞州立大学,获得BSEE、MSEE和MBA学位。他之前的行业经验包括担任光电子和功率MOSFET的PME。联系方式:christopher.gobok@analog.com。