电流检测技术在现今的生活与工作中都有广泛的应用,许多的系统中都需要检测流入和流出的电流大小,检测电流大小能够避免器件出错。所以我们今天的主角就是“开关模式电源的电流检测技术”。
基本知识谈
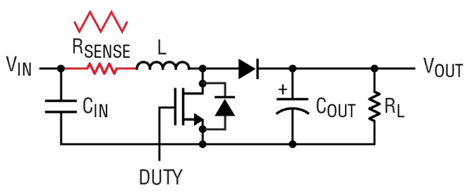
电流模式控制由于其高可靠性、环路补偿设计简单、负载分配功能简单可靠的特点,被广泛用于开关模式电源。电流检测信号是电流模式开关模式电源设计的重要组成部分,它用于调节输出并提供过流保护。图1显示了 ADI LTC3855同步开关模式降压电源的电流检测电路。LTC3855是一款具有逐周期限流功能的电流模式控制器件。检测电阻RS监测电流。

图1. 开关模式电源电流检测电阻(RS)
图2显示了两种情况下电感电流的示波器图像:第一种情况使用电感电流能够驱动的负载(红线),而在第二种情况下,输出短路(紫线)。

图2. LTC3855限流与折返示例,在1.5 V/15 A供电轨上测量
最初,峰值电感电流由选定的电感值、电源开关导通时间、电路的输入和输出电压以及负载电流设置(图中用“1”表示)。当电路短路时,电感电流迅速上升,直至达到限流点,即 RS × IINDUCTOR (IL)等于最大电流检测电压,以保护器件和下游电路(图中用“2”表示)。然后,内置电流折返限制(图中数字“3”)进一步降低电感电流,以将热应力降至最低。
电流检测还有其他作用。在多相电源设计中,利用它能实现精确均流。对于轻负载电源设计,它可以防止电流反向流动,从而提高效率(反向电流指反向流过电感的电流,即从输出到输入的电流,这在某些应用中可能不合需要,甚至具破坏性)。另外,当多相应用的负载较小时,电流检测可用来减少所需的相数,从而提高电路效率。对于需要电流源的负载,电流检测可将电源转换为恒流源,以用于LED驱动、电池充电和驱动激光等应用。
检测电阻放哪最合适?
电流检测电阻的位置连同开关稳压器架构决定了要检测的电流。检测的电流包括峰值电感电流、谷值电感电流(连续导通模式下电感电流的最小值)和平均输出流。检测电阻的位置会影响功率损耗、噪声计算以及检测电阻监控电路看到的共模电压。
放置在降压调节器高端
对于降压调节器,电流检测电阻有多个位置可以放置。当放置在顶部MOSFET的高端时(如图3所示),它会在顶部MOSFET 导通时检测峰值电感电流,从而可用于峰值电流模式控制电源。但是,当顶部MOSFET关断且底部MOSFET导通时,它不测量电感电流。

图3. 带高端RSENSE的降压转换器
在这种配置中,电流检测可能有很高的噪声,原因是顶部 MOSFET的导通边沿具有很强的开关电压振荡。为使这种影响最小,需要一个较长的电流比较器消隐时间(比较器忽略输入的时间)。这会限制最小开关导通时间,并且可能限制最小占空比(占空比 = VOUT/VIN)和最大转换器降压比。注意在高端配置中,电流信号可能位于非常大的共模电压(VIN)之上。
放置在降压调节器低端
图4中,检测电阻位于底部MOSFET下方。在这种配置中,它检测谷值模式电流。为了进一步降低功率损耗并节省元件成本,底部FET RDS(ON)可用来检测电流,而不必使用外部电流检测电阻RSENSE。

图4. 带低端RSENSE的降压转换器
这种配置通常用于谷值模式控制的电源。它对噪声可能也很敏感,但在这种情况下,它在占空比较大时很敏感。谷值模式控制的降压转换器支持高降压比,但由于其开关导通时间是固定/ 受控的,故最大占空比有限。
降压调节器与电感串联
图5中,电流检测电阻RSENSE与电感串联,因此可以检测连续电感电流,此电流可用于监测平均电流以及峰值或谷值电流。所以,此配置支持峰值、谷值或平均电流模式控制。

图5. RSENSE与电感串联
这种检测方法可提供最佳的信噪比性能。外部RSENSE通常可提供非常准确的电流检测信号,以实现精确的限流和均流。但是,RSENSE也会引起额外的功率损耗和元件成本。为了减少功率损耗和成本,可以利用电感线圈直流电阻(DCR)检测电流,而不使用外部RSENSE。
放置在升压和反相调节器的高端
对于升压调节器,检测电阻可以与电感串联,以提供高端检测 (图6)。

图6. 带高端RSENSE的升压转换器
升压转换器具有连续输入电流,因此会产生三角波形并持续监测电流。
放置在升压和反相调节器的低端
检测电阻也可以放在底部MOSFET的低端,如图7所示。此处监测峰值开关电流(也是峰值电感电流),每半个周期产生一个电流波形。MOSFET开关切换导致电流信号具有很强的开关噪声。

图7. 带低端RSENSE的升压转换器
SENSE电阻放置在升降压转换器低端或与电感串联
图8显示了一个4开关升降压转换器,其检测电阻位于低端。当输入电压远高于输出电压时,转换器工作在降压模式;当输入电压远低于输出电压时,转换器工作在升压模式。在此电路中,检测电阻位于4开关H桥配置的底部。器件的模式(降压模式或升压模式)决定了监测的电流。

图8. 带低端RSENSE的升压转换器
在降压模式下(开关D一直导通,开关C一直关断),检测电阻监测底部开关B电流,电源用作谷值电流模式降压转换器。
在升压模式下(开关A一直导通,开关B一直关断),检测电阻与底部MOSFET (C)串联,并在电感电流上升时测量峰值电流。在这种模式下,由于不监测谷值电感电流,因此当电源处于轻负载状态时,很难检测负电感电流。负电感电流意味着电能从输出端传回输入端,但由于这种传输会有损耗,故效率会受损。对于电池供电系统等应用,轻负载效率很重要,这种电流检测方法不合需要。
图9电路解决了这个问题,其将检测电阻与电感串联,从而在降压和升压模式下均能连续测量电感电流信号。由于电流检测 RSENSE连接到具有高开关噪声的SW1节点,因此需要精心设计控制器IC,使内部电流比较器有足够长的消隐时间。

图9. LT8390升降压转换器,RSENSE与电感串联
输入端也可以添加额外的检测电阻,以实现输入限流;或者添加在输出端,用于电池充电或驱动LED等恒定输出电流应用。这种情况下需要平均输入或输出电流信号,因此可在电流检测路径中增加一个强RC滤波器,以减少电流检测噪声。
电流检测方法使用说明书
开关模式电源有三种常用电流检测方法是:使用检测电阻,使用MOSFET RDS(ON),以及使用电感的直流电阻(DCR)。每种方法都有优点和缺点,选择检测方法时应予以考虑。
检测电阻电流传感
作为电流检测元件的检测电阻,产生的检测误差最低(通常在1%和5%之间),温度系数也非常低,约为100 ppm/°C (0.01%)。在性能方面,它提供精度最高的电源,有助于实现极为精确的电源限流功能,并且在多个电源并联时,还有利于实现精密均流。

图10. RSENSE电流检测
另一方面,因为电源设计中增加了电流检测电阻,所以电阻也会产生额外的功耗。因此,与其他检测技术相比,检测电阻电流监测技术可能有更高的功耗,导致解决方案整体效率有所下降。专用电流检测电阻也可能增加解决方案成本,虽然一个检测电阻的成本通常在0.05美元至0.20美元之间。
选择检测电阻时不应忽略的另一个参数是其寄生电感(也称为有效串联电感或ESL)。检测电阻可以用一个电阻与一个有限电感串联来正确模拟。

图12. RSENSE ESL模型
此电感取决于所选的特定检测电阻。某些类型的电流检测电阻,例如金属板电阻,具有较低的ESL,应优先使用。相比之下,绕线检测电阻由于其封装结构而具有较高的ESL,应避免使用。一般来说,ESL效应会随着电流的增加、检测信号幅度的减小以及布局不合理而变得更加明显。电路的总电感还包括由元件引线和其他电路元件引起的寄生电感。电路的总电感也受到布局的影响,因此必须妥善考虑元件的布局,不恰当的布局可能影响稳定性并加剧现有电路设计问题。
检测电阻ESL的影响可能很轻微,也可能很严重。ESL会导致开关栅极驱动器发生明显振荡,从而对开关导通产生不利影响。它还会增加电流检测信号的纹波,导致波形中出现电压阶跃,而不是预期的如图13所示的锯齿波形。这会降低电流检测精度。

图13. RSENSE ESL可能会对电流检测产生不利影响
为使电阻ESL最小,应避免使用具有长环路(如绕线电阻)或长引线(如厚电阻)的检测电阻。薄型表面贴装器件是首选,例子包括板结构SMD尺寸0805、1206、2010和2512,更好的选择包括倒几何SMD尺寸0612和1225。
基于功率MOSFET的电流检测
利用MOSFET RDS(ON)进行电流检测,可以实现简单且经济高效的电流检测。LTC3878是一款采用这种方法的器件。它使用恒定导通时间谷值模式电流检测架构。顶部开关导通固定的时间,此后底部开关导通,其RDS压降用于检测电流谷值或电流下限。

图14. MOSFET RDS(ON)电流检测
虽然价格低廉,但这种方法有一些缺点。首先,其精度不高, RDS(ON)值可能在很大的范围内变化(大约33%或更多)。其温度系数可能也非常大,在100°C以上时甚至会超过80%。另外,如果使用外部MOSFET,则必须考虑MOSFET寄生封装电感。这种类型的检测不建议用于电流非常高的情况,特别是不适合多相电路,此类电路需要良好的相位均流。
电感DCR电流检测
电感直流电阻电流检测采用电感绕组的寄生电阻来测量电流,从而无需检测电阻。这样可降低元件成本,提高电源效率。与MOSFET RDS(ON)相比,铜线绕组的电感DCR的器件间偏差通常较小,不过仍然会随温度而变化。它在低输出电压应用中受到青睐,因为检测电阻上的任何压降都代表输出电压的一个相当大部分。将一个RC网络与电感和寄生电阻的串联组合并联,检测电压在电容C1上测量(图15)。

图15. 电感DCR电流检测
通过选择适当的元件(R1 × C1 = L/DCR),电容C1两端的电压将与电感电流成正比。为了最大限度地减少测量误差和噪声,最好选择较低的R1值。
电路不直接测量电感电流,因此无法检测电感饱和。推荐使用软饱和的电感,如粉芯电感。与同等铁芯电感相比,此类电感的磁芯损耗通常较高。与RSENSE方法相比,电感DCR检测不存在检测电阻的功率损耗,但可能会增加电感的磁芯损耗。
使用RSENSE和DCR两种检测方法时,由于检测信号较小,故均需要开尔文检测。必须让开尔文检测痕迹(图5中的SENSE 和 SENSE-)远离高噪声覆铜区和其他信号痕迹,以将噪声提取降至最低,这点很重要。某些器件(如LTC3855)具有温度补偿DCR检测功能,可提高整个温度范围内的精度。

表1. 电流检测方法的优缺点
表1中提到的每种方法都为开关模式电源提供额外的保护。取决于设计要求,精度、效率、热应力、保护和瞬态性能方面的权衡都可能影响选择过程。电源设计人员需要审慎选择电流检测方法和功率电感,并正确设计电流检测网络。ADI LTpowerCAD设计工具和LTspice®电路仿真工具等计算机软件程序,对简化设计工作并获得最佳结果会大有帮助。
其他电流检测方法
还有其他电流检测方法可供使用。例如,电流检测互感器常常与隔离电源一起使用,以跨越隔离栅对电流信号信息提供保护。这种方法通常比上述三种技术更昂贵。此外,近年来集成栅极驱动器(DrMOS)和电流检测的新型功率MOSFET也已出现,但到目前为止,还没有足够的数据来推断DrMOS在检测信号的精度和质量方面表现如何。
软件推荐
LTspice
LTspice是一款强大、快速、免费的仿真工具、原理图采集和波形查看器,具有增强功能和模型,可改善开关稳压器的仿真。
LTpowerCAD
LTpowerCAD设计工具是一款完整的电源设计工具程序,可显著简化电源设计任务。它引导用户寻找解决方案,选择功率级元件,提供详细效率信息,显示快速环路波特图稳定性和负载瞬态分析,并可将最终设计导出至LTspice进行仿真。
来源:亚德诺半导体
免责声明:本文为转载文章,转载此文目的在于传递更多信息,版权归原作者所有。本文所用视频、图片、文字如涉及作品版权问题,请联系小编进行处理(联系邮箱:cathy@eetrend.com)。