跳转到主要内容

看门狗居然还有模拟的?

cathy /

对于看门狗大家或许不陌生,但对于模拟看门狗有的朋友可能就不甚了解了。本文来聊聊模拟看门狗,旨在梳理相应的概念,理解模拟看门狗原理、与常规看门狗的异同点以及工程应用价值。

<strong>啥是看门狗?</strong>

一般来讲,单片机的看门狗可简单看成相对独立的两部分,即计时单元和监控单元。计时单元实现计数与重装。在计数过程中,软件可以适时对计数器的初始值进行重装,以防溢出。监控单元监视计时器的溢出事件,若计数器因未被软件适时重装而发生溢出,看门狗通常会执行复位动作,比如复位处理器。

以STM32F4系列单片机独立看门狗IWDG( Independent watchdog)为例,看看其计时电路的功能架构:

模拟和数字布线策略异同对比分析

cathy /

本文为大家介绍模拟和数字布线的异同点。

<strong>模拟和数字布线相同之处</strong>

<strong>旁路或去耦电容</strong>

在布线时,模拟器件和数字器件都需要这些类型的电容,都需要靠近其电源引脚连接一个电容,此电容值通常为0.1mF。系统供电电源侧需要另一类电容,通常此电容值大约为10mF。

这些电容的位置如图1所示。电容取值范围为推荐值的1/10至10倍之间。但引脚须较短,且要尽量靠近器件(对于0.1mF电容)或供电电源(对于10mF电容)。

在电路板上加旁路或去耦电容,以及这些电容在板上的位置,对于数字和模拟设计来说都属于常识。但有趣的是,其原因却有所不同。在模拟布线设计中,旁路电容通常用于旁路电源上的高频信号,如果不加旁路电容,这些高频信号可能通过电源引脚进入敏感的模拟芯片。一般来说,这些高频信号的频率超出模拟器件抑制高频信 号的能力。如果在模拟电路中不使用旁路电容的话,就可能在信号路径上引入噪声,更严重的情况甚至会引起振动。

缩放模拟输入信号的三种方式

cathy /

随着电子设备变得更加具有自我意识,针对电压缩放的需求也在增加。我不是在谈论人工智能,如“2001:太空奥德赛”中的Hal。我指的是具有更多自检的电子设备,这需要读取各种范围的许多电压。

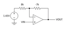
缩放输入电压并非总像第一次那么容易(或复杂)。在本文中,我将介绍如何在最近的需将+/- 10 V信号缩小到0到2.5 V范围信号链设计中解决这个挑战,以匹配所有其他信号到模数转换器(ADC)。达到此目标的传递函数呈线性:VOUT = VIN / 8 + 1.25V。

<strong>解决方案1:</strong>

我的第一个想法是使用同相运算放大器(运放)电路。进行一些快速算术后,我确定了电路,如图1所示,需要1.43V偏置电源,且反馈/接地电阻比为-7/8。

模拟放大电路的四大特点,你都了解吗?

cathy /

放大是最基本的模拟信号处理功能,它是通过放大电路实现的,大多数模拟电子系统中都应用了不同类型的放大电路。放大电路也是构成其他模拟电路,如滤波、振荡、稳压等功能电路的基本单元电路。

模拟放大电路主要包括共射、共集和共基放大器是单管放大器,阻容耦合、变压器耦合和直接耦合多级放大电路,场效应晶体管放大电路,电子管放大电路,反馈放大电路和功率放大电路。放大电路又分为低频放大电路和高频放大电路。不管是哪种放大电路,它们都具有以下特点:

<center><img src="http://mouser.eetrend.com/files/2017-12/wen_zhang_/100009347-31576-dian…; alt=“” width="400"></center>

采用SPI接口的模拟开关提高通道密度

cathy /

<strong>摘要</strong>

设计一个要求高通道密度的系统时,例如在测试仪器仪表中,电路板上通常需要包括大量开关。当使用并行接口控制的开关时,控制开关所需的逻辑线路以及用于生成GPIO控制信号的串行转并行转换器会占用很大比例的板空间。本文讨论旨在解决这种设计挑战的ADI公司新一代SPI控制开关及其架构,以及相对于并行控制开关,它在提高通道密度上有何优势。ADI公司创新的多芯片封装工艺使得新型SPI转并行转换器芯片可以与现有高性能模拟开关芯片结合在同一封装中。这样既可节省空间,又不会影响精密开关性能。

测试设备中的通道数最大化至关重要,因为通道越多,可以并行测试的器件就越多,进而压缩最终客户的测试时间和成本。测试仪通过开关来分享其资源以支持多个被测器件 (DUT),故开关是增加通道数的关键元件。但是,并行控制的开关数量越多,控制线路也就越多,占用的电路板空间相应地增加,这严重制约了可以实现的通道密度。

在此情况下,使用SPI控制的开关在解决方案尺寸和通道数方面具有显著的优势。SPI开关可以采用菊花链形式布置,相比于传统解决方案,此举可大幅减少所需的数字线路数。

探索模拟开关的开关比

editor Chen /

若是一个模拟开关(analog switch)IC被用在讯号路径的开关切换,在讯号关闭状态下可以实现多少隔离可能是至关重要的。 本文将使用以下电路板作为测试夹具,以评估来自不同供货商几个模拟开关的开关比(on-off ratios)。

<strong>什么样的关断是真的「关闭」?</strong>

若是一个模拟开关(analog switch)IC被用在讯号路径的开关切换,在讯号关闭状态下可以实现多少隔离可能是至关重要的。 本文将使用以下电路板作为测试夹具,以评估来自不同供货商几个模拟开关的开关比(on-off ratios)。

模拟