跳转到主要内容

原创深度:转换器新技术,让小空间也有大容量

cathy /

<strong><font color="#004a85">作者: Mark Patrick</font></strong>

<strong>缩小DC/DC转换器尺寸</strong>

不仅仅是消费电子产品对空间的要求越来越高,随着工厂部署电子设备的增加,把更多的技术应用到特定领域已成为当务之急。在寸土寸金的现在,人们普遍认为,每一条生产线或资产的控制设备占用的空间越小越好,最好能安装在一个控制柜中。这种设计限制要求控制系统和相关电源具有极高的集成度。在电源方面,由于PCB空间限制需尽量避免使用分立元件,让我们看到了采用模块化方法进行电源转换的优势。模块化封装DC/DC转换器具有集成式开关控制器IC,是控制柜常用分布式总线电源架构的重要组成部分。但即使是这样,通常也还需要外部元件来实现完整的电源转换功能。

别纠结了,数据采集系统中的转换器这么选就对了!

cathy /

工业过程控制、便携式医疗设备和自动化测试设备中使用的多路复用数据采集系统(DAS)需要更高的通道密度。在这些系统中,用户希望测量多个传感器和监控器信号,并将很多输入通道扫描至单个ADC或多个ADC中。多路复用的整体优势在于每通道所需的ADC数量较少,节省了印刷电路板(PCB)空间,降低了功耗和成本。自动化测试设备和电源线路监控应用中的某些系统要求每通道使用专门的采样保持放大器和ADC,以便对输入进行同步采样,从而提升每通道的采样速率,并保留相位信息,但代价是更多的PCB面积和更高的功耗。

系统设计人员根据最终应用的性能、功耗、尺寸和成本要求进行权衡取舍。它们从中选出一个转换器架构和拓扑,并使用市场上提供的分立式或集成式元件实现信号链设计。图1显示了多路复用DAS的简化框图,可进行监控并对多种传感器类型进行顺序采样。某些情况下,信号链会利用多路复用器与ADC之间的缓冲放大器或可编程增益放大器。

设计精讲之SiC-MOSFET的隔离型准谐振转换器

cathy /

本文介绍的内容是电源电路中常用的缓冲电路的组成元器件和常数。这里的缓冲电路不仅用于本文中的准谐振转换器,还用于其他文章中提到的反激式转换器。

<strong>什么是缓冲电路</strong>

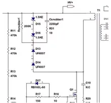
缓冲电路是抑制浪涌的电路。在本例中是为了抑制输入浪涌而设置在输入端,其实也可用于输出端。由于输入连接于变压器的一次侧,所以受变压器的漏电感影响,当MOSFET从ON变为OFF的瞬间,将产生较大的浪涌电压(尖峰噪声)。这种浪涌电压施加在MOSFET的漏极-源极之间,因此如果产生的浪涌电压超过MOSFET的耐压,可能会造成MOSFET损坏。为了防止MOSFET损坏,插入由RCD(电阻、电容、二极管)组成的缓冲电路以抑制浪涌电压。由于大多数情况下都会产生这种浪涌,因此建议在设计之初就设置缓冲电路。

缓冲电路:Rsnubber1、Csnubber1及D13、D14、D15、D16

在本例中使用的缓冲电路,由电阻Rsnubber1、电容Csnubber1以及二极管D13、D14、D15、D16组成,只要去掉D15和D16就是典型的RCD缓冲电路。首先来确定钳位电压和钳位纹波电压,并按R、C、D的顺序确定常数。

如何正确设计高性能转换器?方法要点都在这里

cathy /

现代SAR和∑-Δ型模数转换器(ADC)的主要优势之一是在设计中考虑了易用性。不仅简化了系统设计人员的工作,而且可以复用参考设计。在很多情况下,您可以构建一个参考设计长时间用于不同场合的应用。精密测量系统的硬件保持不变,而软件实现可适应不同系统的需要。

这就是可重用的美妙之处,但实际生活中没有那么完美。多个应用采用单一设计的主要缺点是,您放弃了实现dc、地震、音频和更高带宽应用的绝对最高可能性能所需的自定义和优化。在急于重用和完成设计的过程中,往往会牺牲精确性能。容易忽略的一个主要方面是时钟。在本文中,我们将讨论时钟的重要性,并为正确设计高性能转换器提供指导。

<strong>ADC基础知识</strong>

<strong>抖动和信噪比之间的关系</strong>

在查阅现有文献时,我们看到了有关ADC性能依赖于抖动参数的大量描述,并且通常此类标题会包含“高速”一词,这不无道理。为了监察抖动和信噪比(SNR)之间的关系,首先来看SNR数值和rms(均方根)抖动之间的关系。

如果抖动是系统中的主要噪声源,则此关系简化为:

开关稳压器连载(2):优点和缺点、与线性稳压器的比较

cathy 提交于

开始电源设计时,如果大概的规格已定,其次便是进入选择开关稳压器或线性稳压器的作业。为满足要求规格虽然有的情况必须选择其一,不过两者皆可的例子也不少。此时,须以各自的特征和优缺点为主进行探讨。图29为开关稳压器的优点和缺点,而图30则试着与线性稳压器做总比较。

最大的优点,是可以自由转换。虽然降压最常被利用,不过也可从电池等低电压升压、使其从正电压反转来制作负电压、或3.3V般输入跨越输出电压时也可从锂离子二次电池(例:4.2V~2.8V)升压。

其次,是效率高。虽然也视种类而定,不过最大效率可达95%左右。但是,开关稳压器的效率因负载电流的大小而变。基本上,负载电流变小时效率会大幅度下滑。对此,近年待机功耗降低要求日趋严格,成了开关稳压器的课题。

开关稳压器连载(1):种类有哪些?

cathy 提交于

<strong>开关稳压器</strong>

近年来,开关稳压器由于其功率转换效率高或转换可调性而被许多设备所利用,成为电源的主流。过去,一说到开关电源便想到购买模块或单元等成品,近年来,则可提供多种多样的开关电源用IC,使设计者得以致力于电路基板上编入开关电源的on-board设计。但同时,与线性稳压器不同的开关电源电路所拥有的各种探讨事项将成为设计者的一大课题也是不争的事实。

本项将以降压型开关稳压器为题材来说明其工作或功能等基础。

<strong>开关稳压器的种类</strong>

开关稳压器有许多种类,分类方法也视其观点而各有不同。在这里,姑且从输入电源的种类开始,以电路方式进行主要分类。首先,输入电源可以利用DC(直流)或AC(交流)分成DC/DC转换器和AC/DC转换器(参考图27)。这里记载的“DC/DC转换器”表示以输入电源身分将DC电压转换成DC电压后输出,而“AC/DC转换器”则表示以AC输入转换成DC电压。

【视频】工程师园地 | 借助Maxim的buck-boost转换器延长产品电池寿命

cathy /

<font color="#FF0000">本期讲师:Xuejian Li,Maxim TTS</font>

在电源设计中,我们对buck和boost分别被用于降压和升压转换。但在有些设计中,单纯的buck或boost无法满足更高的设计需求。比如,锂电池由于其高能量密度,被广泛用于手机、可穿戴设备、IoT、医疗设备等便携式产品,而最大限度地延长锂电池的寿命,充分利用锂电池的能量对产品的待机时间及用户体验就变得非常重要。本期《工程师园地》,Maxim TTS部门的Xuejian Li就来为大家分享Maxim在buck-boost技术上的优势,以及相关的解决方案。

560V 输入、No-Opto 隔离型反激式转换器

cathy /

<strong><font color="#FF0000">作者:George (Zhijun) Qian</font> </strong>

<strong>设计要点 DN559: 引言</strong>

在传统的隔离型高电压反激式转换器中,严紧的调节是采用光耦合器把调节信息从副边参考电路传输至主边来实现的。这种做法的问题是光耦合器给隔离型设计增加了明显的复杂性:存在传播延迟、老化和增益变化,所有这些会使电源环路补偿变得复杂并会降低可靠性。此外,在启动期间还需要一个大功率电阻或高电压启动电路以对 IC 实施初始上电。除非给启动组件增添一个额外的高电压 MOSFET,否则大功率电阻就是一个不受欢迎的功率损耗源。

LT®8315 是一款集成了 630V/300mA 开关的高电压反激式转换器。LT8315 免除了增设一个光耦合器、复杂副边参考电路、额外启动组件和一个外部高电压 MOSFET 的需要。

<strong>性能和简单性</strong>