氮化镓(GaN):电源行业中无法抗拒的新技术 winniewei / 周一, 30 八月 2021 - 10:56 氮化镓(GaN)在电力电子行业风靡一时。这种宽禁带半导体能够实现非常高的效率和功率密度,该性能优势正迅速成为电源制造商保持竞争力和符合日益严格的能效标准的必要条件。 阅读更多 关于 氮化镓(GaN):电源行业中无法抗拒的新技术登录 发表评论
字节跳动开源最新 GAN 压缩算法 算力消耗只需原来的 1/46 winniewei / 周五, 27 八月 2021 - 14:32 阅读更多 关于 字节跳动开源最新 GAN 压缩算法 算力消耗只需原来的 1/46登录 发表评论
VisIC推出最高效的氮化镓7.2kW双向图腾柱PFC参考设计 winniewei / 周二, 24 八月 2021 - 10:11 阅读更多 关于 VisIC推出最高效的氮化镓7.2kW双向图腾柱PFC参考设计登录 发表评论
Integra Technologies面向任务关键型国防应用领域发布业界首创的100V射频氮化镓(GaN)/碳化硅(SiC)技术 winniewei / 周四, 15 七月 2021 - 10:41 Integra是致力于让世界更安全、联系更紧密的创新型射频和微波功率解决方案领先供应商。公司推出业界首创的100V射频氮化镓(GaN)/碳化硅(SiC)技术,此技术适用的应用领域非常广泛,包括雷达、航空电子、电子战、工业、科研和医疗系统。 阅读更多 关于 Integra Technologies面向任务关键型国防应用领域发布业界首创的100V射频氮化镓(GaN)/碳化硅(SiC)技术登录 发表评论
Microchip推出用于卫星通信终端的高线性度Ka波段单片微波集成电路(MMIC),进一步丰富氮化镓(GaN)射频产品组合 winniewei / 周二, 22 六月 2021 - 14:15 卫星通信系统使用复杂的调制方案,以实现极快的数据速率用于传递视频和宽带数据。因此,它们必须具备高射频输出功率,同时确保信号保持其理想的特征。Microchip Technology Inc.(美国微芯科技公司)今日宣布推出新型GMICP2731-10 GaN MMIC功率放大器,以满足上述要求。 阅读更多 关于 Microchip推出用于卫星通信终端的高线性度Ka波段单片微波集成电路(MMIC),进一步丰富氮化镓(GaN)射频产品组合登录 发表评论
意法半导体发布高性能车规级GaN产品系列 winniewei / 周四, 13 五月 2021 - 15:47 意法半导体发布了STi2GaN系列智能集成氮化镓(GaN)解决方案。STi2GaN是一款在市场上独一无二的创新产品,在紧凑的高性能解决方案内整合功率级和智能电路,以满足汽车行业在电动化大趋势下的需求。 阅读更多 关于 意法半导体发布高性能车规级GaN产品系列登录 发表评论
是德科技推出定制化 GaN 测试板,可用于 PD1500A 动态功率器件分析仪/双脉冲测试仪 winniewei / 周一, 10 五月 2021 - 17:39 是德科技公司推出一款定制氮化镓(GaN)测试板,该产品可用于是德科技的动态功率器件分析仪/双脉冲测试仪(PD1500A),使得Tier1和 OEM 厂商的功率器件设计人员能够缩短原型设计周期、加速推出新产品。 阅读更多 关于 是德科技推出定制化 GaN 测试板,可用于 PD1500A 动态功率器件分析仪/双脉冲测试仪登录 发表评论
GaN Systems宣布其低电流,大批量氮化镓晶体管的价格已跌至1美元以下 winniewei / 周三, 10 三月 2021 - 09:43 GaN(氮化镓)功率晶体管的全球领导者GaN Systems今天宣布,其低电流,大批量氮化镓晶体管的价格已跌至1美元以下。 这些晶体管通常用于智能手机和笔记本电脑以及各种消费品和工业应用的氮化镓充电器和AC适配器。 阅读更多 关于 GaN Systems宣布其低电流,大批量氮化镓晶体管的价格已跌至1美元以下登录 发表评论
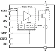
干货 | 具有集成式驱动器和自我保护功能的GaN FET如何实现下一代工业电源设计 winniewei / 周二, 15 十二月 2020 - 11:50 氮化镓(GaN)半导体的物理特性与硅器件不相上下。传统的电源供应器金属氧化物半导体场效应晶体管(MOSFET)和绝缘栅极双极晶体管(IGBT)只有在牺牲效率、外形尺寸和散热的前提下才能提高功率密度。 阅读更多 关于 干货 | 具有集成式驱动器和自我保护功能的GaN FET如何实现下一代工业电源设计登录 发表评论
GaN系统2021年预测:随着GaN技术从早期采用到主流接受,达到了临界点 winniewei / 周四, 10 十二月 2020 - 09:30 2020年即将结束,毫无疑问,我们将回顾过去的十二个月,这段时间是颠覆性发展的标志。在Covid-19带来的前所未有的社会经济动荡中,组织不得不以新的方式进行枢轴化,战略化,适应性调整和变革- 这一方式要比历史上任何时候都要灵活得多。 阅读更多 关于 GaN系统2021年预测:随着GaN技术从早期采用到主流接受,达到了临界点登录 发表评论